патент
№ RU 2547759
МПК F41J2/02

УСТРОЙСТВО ИМИТАЦИИ ИНФРАКРАСНОГО ИЗЛУЧЕНИЯ НАЗЕМНЫХ ОБЪЕКТОВ

Авторы:
Кожухов Игорь Владимирович Иванов Лев Алексеевич Бурба Александр Алексеевич
Все (10)
Номер заявки
2013144694/28
Дата подачи заявки
07.10.2013
Опубликовано
10.04.2015
Страна
RU
Как управлять
интеллектуальной собственностью
Чертежи 
2
Реферат

Изобретение относится к технике оптического приборостроения и касается устройства имитации инфракрасного излучения наземных объектов. Устройство содержит микрозеркальный матричный сканирующий узел, инфракрасный излучатель, набор линз и зеркал, объективы, приводы объективов, переключатель объективов и систему наведения. Кроме того, устройство содержит входные регистры, блоки оценки эмпирических коэффициентов, блоки оценки коэффициента пропускания атмосферы, элементы задержки, блоки умножения, элементы ИЛИ, группы блоков умножения, группу блоков возведения в степень, группу регистров, блок оценки энергетической яркости излучения, блок выдачи команд переключения, блок индикации, генератор потоковых импульсов и распределитель импульсов. Технический результат заключается в повышении эффективности проведения испытаний. 3 ил.

Формула изобретения

Устройство имитации инфракрасного излучения наземных объектов, включающее оптико-электронные блоки, характеризующееся тем, что оно содержит первый, второй, третий, четвертый и пятый входные регистры, каждый из которых состоит из m×n элементов, первый и второй блоки оценки эмпирических коэффициентов, первый, второй и третий блоки оценки коэффициента пропускания атмосферы, первый, второй и третий элементы задержки (ЭЗ), первый и второй блоки умножения, регистр, элементы ИЛИ, первую и вторую группы блоков умножения, каждая из которых состоит из m×n элементов, группы блоков возведения в степень и регистров, каждая из которых состоит из m×n элементов, блок оценки энергетической яркости излучения, микрозеркальный матричный сканирующий узел, инфракрасный излучатель, набор линз и зеркал, первый и второй объективы, первый и второй приводы объективов, блок выдачи команд переключения, систему наведения, блок индикации, генератор тактовых импульсов и распределитель импульсов (РИ), тактовый вход которого соединен с выходом генератора тактовых импульсов, первый выход РИ - со входами записи с первого по пятый входных регистров, первой и второй групп входных регистров, второй выход - со входами считывания первого и второго входных регистров, третий, четвертый и пятый выходы - со входами считывания соответственно пятого, третьего и четвертого входных регистров, шестой выход - со входами считывания второй группы входных регистров, седьмой выход - со входом записи регистра, восьмой выход - со входами считывания первой группы входных регистров, девятый и десятый выходы - соответственно со входами записи и считывания группы регистров, одиннадцатый выход - со входом считывания регистра, информационные входы первого и второго входных регистров являются входами задания исходной информации, на которые поступают значения γ и l, характеризующие соответственно эмпирический параметр, равный отношению упругости водяного пара к температуре, и протяженность трассы до имитируемой цели, информационные входы третьего и четвертого входных регистров являются входами задания исходной информации, на которые поступают значения aS и bS, характеризующие эмпирические параметры для моделей умеренных широт, информационный вход пятого входного регистра является входом задания исходной информации, на который поступает значение Sm, характеризующее метеорологическую дальность видимости, информационные входы первой группы входных регистров являются входами задания исходной информации, на которые поступают значения εij, характеризующие коэффициенты излучения серого тела для элемента имитируемой цели, информационные входы второй группы входных регистров являются входами задания исходной информации, на которые поступают значения Tij, характеризующие температуру элемента имитируемой цели, выход первого входного регистра соединен с входами первого ЭЗ и первого блока оценки эмпирических коэффициентов, первый и второй выходы которого подключены соответственно к первому и второму входам первого блока оценки коэффициента пропускания атмосферы, третий вход которого соединен с выходом второго ЭЗ, а выход - с первым входом первого блока умножения, второй вход которого подключен к выходу третьего ЭЗ, а выход - к первому входу элемента ИЛИ, выход второго входного регистра соединен со входом второго ЭЗ и второго блока оценки эмпирических коэффициентов, первый и второй выходы которого подключены соответственно к первому и второму входам второго блока оценки коэффициента пропускания атмосферы, третий вход которого соединен с выходом первого ЭЗ, а выход - с первым входом второго блока умножения, выходы третьего, четвертого и пятого входных регистров подключены соответственно к первому, второму и третьему входам третьего блока оценки коэффициента пропускания атмосферы, выход которого соединен со входом третьего ЭЗ и со вторым входом второго блока умножения, выход которого подключен к информационному входу регистра, выход которого соединен со вторым входом элемента ИЛИ, выход которого подключен к первому входу блока оценки энергетической яркости излучения, выходы элементов первой и второй групп входных регистров соединены со входами соответствующих элементов соответственно первой группы блоков умножения и группы блоков возведения в степень, выходы которых подключены соответственно к первым и вторым входам соответствующих элементов второй группы блоков умножения, выходы которых соединены с информационными входами соответствующих элементов группы регистров, выходы которых соединены по (n+1)-го входов и с (n+m+1)-го входов блока оценки энергетической яркости, с первого по n-ый и с (n+1)-го по (n+m)-ый выходы которых соединены с первого по n-ый и с (n+1)-го по (n+m)-ый входами микрозеркального матричного сканирующего узла, который является оптически сопряженным с инфракрасным излучателем через набор линз и зеркал, а также оптически сопряженным через первый или второй объективы с системой наведения, выход которой подключен к входу блока индикации, выход блока выдачи команд переключения соединен с входом переключателя объективов, первый и второй выходы которого подключены к входам соответственно первого и второго приводов объективов, на которых закреплены соответственно первый и второй объективы.

Описание

[1]

Изобретение относится к технике оптического приборостроения и может быть использовано, в частности, при разработке и испытаниях тепловизионных систем конечного наведения, инфракрасных обзорно-поисковых систем, осуществляющих автоматическое обнаружение целей по их тепловому контрасту в пределах их углового поля, автоматическое их распознавание и сопровождение.

[2]

Известны устройства, осуществляющие имитацию инфракрасного излучения наземных объектов.

[3]

Например, аналогом является инфракрасный имитатор ближнего инфракрасного диапазона (1 мкм), состоящий из одного объектива, цифрового микрозеркального устройства (производства Texas Instruments с разрешением 768×576 и размером пикселя 16 мкм), кварцевого вольфрамо-галогенного источника, оптического фильтра (Dennis R. Раре, James A. Carter III Digital Mirror Device infrared scene projector, Proc. SPIE 2223, Characterization and Propagation of Sources and Backgrounds, 75 (June 15, 1994); doi:10.1117/12.177950; http://dx.doi.org/10.1117/12.177950).

[4]

Ближайшим аналогом является двухспектральный (3.4-4.2 мкм, 4.2-5.0 мкм) имитатор инфракрасных сцен, состоящий из двух каналов, каждый канал реализован посредством DMD матрицы, набора линз для среднего инфракрасного диапазона, комплекта спектральных фильтров и двух излучателей (Julia Rentz Dupuis, David J. Mansur, Samuel Grant, Scott P. Newbry Contrast analysis for DMD-based IR scene projector - echnologies for Synthetic Environments: Hardware-in-the-Loop XVII. Edited by Buford, James A., Jr. Proceedings of the SPIE, Volume 8356, article id. 835603, 11 pp. (2012)).

[5]

Недостатки этих устройств:

[6]

- отсутствие применения сменных проекционных объективов, каждый из которых обеспечивает работу устройства в одном из заданных интервалах длин волн излучения (3-5 мкм или 8-12 мкм);

[7]

- нет использования обработки информации устройства синтезирования яркости объекта, при которой учитывается молекулярное и аэрозольное ослабление инфракрасного излучения в каждом из выбранных рабочих интервалов (3-5 мкм или 8-12 мкм).

[8]

Задачей заявленного изобретения является расширение технических возможностей испытательного оборудования для тепловизионных систем наведения путем обеспечения их функционирования при проведении испытаний в условиях, близких к натурным, за счет имитации многоспектральных потоков инфракрасного излучения на их входных зрачках, соответствующих потокам излучения наземных объектов в заданных атмосферных условиях и на заданной дальности.

[9]

Техническим результатом заявленного изобретения является повышение показателей эффективности наземных испытаний (временных, точностных характеристик, характеристик достоверности, стоимости) тепловизионных систем конечного наведения средств поражения и инфракрасных обзорно-поисковых систем за счет формирования потока инфракрасного излучения, имитирующего наземные цели.

[10]

Формирование потока инфракрасного излучения осуществляется следующим образом. Необходимо произвести оценку эмпирических коэффициентов c(γ), b(γ), c(l) и b(l) по следующим формулам:

[11]

c(γ)=0.0161(lnγ)2+0.2135lnγ+0.9008; (1)

[12]

b(γ)=0.0143(lnγ)2+0.1507lnγ+0.5342; (2)

[13]

c(l)=3.0682l0.93+0.2634; (3)

[14]

b(l)=0.0007l1.86+0.0286l0.93+0.0226; (4)

[15]

где c(γ), b(γ) - эмпирические коэффициенты для расчета коэффициентов пропускания атмосферы, обусловленные потерями на поглощение атмосферными газами для диапазона длин волн 3-5 мкм;

[16]

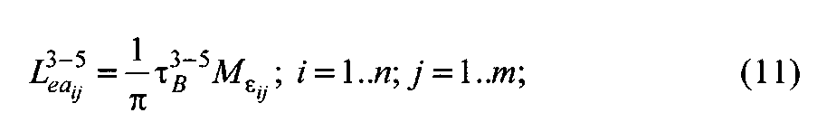
c(l), b(l) - эмпирические коэффициенты для расчета коэффициента пропускания атмосферы, обусловленные потерями на поглощение атмосферными газами для диапазона длин волн 8-12 мкм;

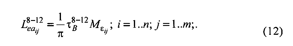
[17]

γ - эмпирический параметр, равный отношению упругости водяного пара к температуре воздуха;

[18]

l - протяженность трассы до имитируемой цели. Полученные коэффициенты используются для расчета коэффициента пропускания атмосферы, обусловленного потерями на поглощение атмосферными газами для диапазона длин волн 3-5 мкм и коэффициента пропускания атмосферы, обусловленного потерями на поглощение атмосферными газами для диапазона длин волн 8-12 мкм:

[19]

[20]

[21]

где τm812 и τm812 - коэффициенты пропускания атмосферы, обусловленные потерями на поглощение атмосферными газами для диапазона длин волн 3-5 мкм и 8-12 мкм соответственно.

[22]

Коэффициент пропускания атмосферы, обусловленный потерями на аэрозольное распыление, рассчитывается следующим образом:

[23]

τa=th[aSln(Sm)+bS], (7)

[24]

где aS, bS - эмпирические параметры для моделей умеренных широт;

[25]

Sm - метеорологическая дальность видимости;

[26]

th - гиперболический тангенс, который определяется по формуле:

[27]

[28]

Через полученные коэффициенты выражается средний коэффициент пропускания атмосферы для длин волн 3-5 мкм и 8-12 мкм:

[29]

τB35=τaτm35; (8)

[30]

τB812=τaτm812. (9)

[31]

Расчет светимости Mεij собственного излучения имитируемого изображения цели осуществляется следующим образом:

[32]

Mεij=εijσeTij4; i=1n; j=1m; (10)

[33]

где εij - коэффициенты излучения серого тела для элемента имитируемой цели;

[34]

σe - постоянная Больцмана;

[35]

Tij - температура элемента имитируемой цели;

[36]

n - количество строк в матрице изображения цели;

[37]

m - количество столбцов в матрице изображения цели.

[38]

На основании приведенных выше результатов может быть выражен выходной параметр Leaij, то есть энергетическая яркость имитируемого объекта (цели) на входном зрачке оптической системы наведения средств поражения для двух различных интервалов инфракрасного излучения:

[39]

[40]

[41]

Если испытываемая система наведения средства поражения реагирует на яркость имитируемого объекта (цели) штатно, то можно сделать вывод о готовности этого средства поражения к эксплуатации.

[42]

Технический результат достигается тем, что устройство имитации инфракрасного излучения наземных объектов содержит первый, второй, третий, четвертый и пятый входные регистры, каждая из которых состоит из m×n элементов, первый и второй блоки оценки эмпирических коэффициентов, первый, второй и третий блоки оценки коэффициента пропускания атмосферы, первый, второй и третий элементы задержки (ЭЗ), первый и второй блоки умножения, регистр, элементы ИЛИ, первую и вторую группы блоков умножения, каждая из которых состоит из m×n элементов, группы блоков возведения в степень и регистров, каждая из которых состоит из m×n элементов, блок оценки энергетической яркости излучения, микрозеркальный матричный сканирующий узел, инфракрасный излучатель, набор линз и зеркал, первый и второй объективы, первый и второй приводы объективов, блок выдачи команд переключения, система наведения, блок индикации, генератор тактовых импульсов и распределитель импульсов (РИ), тактовый вход которого соединен с выходом генератора тактовых импульсов, первый выход РИ - со входами записи с первого по пятый входных регистров, первой и второй групп входных регистров, второй выход - со входами считывания первого и второго входных регистров, третий, четвертый и пятый выходы - со входами считывания соответственно пятого, третьего и четвертого входных регистров, шестой выход - со входами считывания второй группы входных регистров, седьмой выход - со входом записи регистра, восьмой выход - со входами считывания первой группы входных регистров, девятый и десятый выходы - соответственно со входами записи и считывания группы регистров, одиннадцатый выход - со входом считывания регистра, информационные входы первого и второго входных регистров являются входами задания исходной информации, на которые поступают значения γ и l, характеризующие соответственно эмпирический параметр, равный отношению упругости водяного пара к температуре, и протяженность трассы до имитируемой цели, информационные входы третьего и четвертого входных регистров являются входами задания исходной информации, на которые поступают значения as и bs, характеризующие эмпирические параметры для моделей умеренных широт, информационный вход пятого входного регистра является входом задания исходной информации, на который поступает значение Sm, характеризующее метеорологическую дальность видимости, информационные входы первой группы входных регистров являются входами задания исходной информации, на которые поступают значения εij, характеризующие коэффициенты излучения серого тела для элемента имитируемой цели, информационные входы второй группы входных регистров являются входами задания исходной информации на которые поступают значения Tij, характеризующие температуру элемента имитируемой цели, выход первого входного регистра соединен с входами первого ЭЗ и первого блока оценки эмпирических коэффициентов, первый и второй выходы которого подключены соответственно к первому и второму входам первого блока оценки коэффициента пропускания атмосферы, третий вход которого соединен с выходом второго ЭЗ, а выход - с первым входом первого блока умножения, второй вход которого подключен к выходу третьего ЭЗ, а выход - к первому входу элемента ИЛИ, выход второго входного регистра соединен с входом второго ЭЗ и второго блока оценки эмпирических коэффициентов, первый и второй выходы которого подключены соответственно к первому и второму входам второго блока оценки коэффициента пропускания атмосферы, третий вход которого соединен с выходом первого ЭЗ, а выход - с первым входом второго блока умножения, выходы третьего, четвертого и пятого входных регистров подключены соответственно к первому, второму и третьему входам третьего блока оценки коэффициента пропускания атмосферы, выход которого соединен со входом третьего ЭЗ и со вторым входом второго блока умножения, выход которого подключен к информационному входу регистра, выход которого соединен со вторым входом элемента ИЛИ, выход которого подключен к первому входу блока оценки энергетической яркости излучения, выходы элементов первой и второй групп входных регистров соединены со входами соответствующих элементов соответственно первой группы блоков умножения и группы блоков возведения в степень, выходы которых подключены соответственно к первым и вторым входам соответствующих элементов второй группы блоков умножения, выходы которых соединены с информационными входами соответствующих элементов группы регистров, выходы которых соединены по (n+1)-го входов и с (n+m+1)-го входов блока оценки энергетической яркости, с первого по n-ый и с (n+1)-го по (n+m)-ый выходы которых соединены с первого по n-ый и с (n+1)-го по (n+m)-ый входами микрозеркального матричного сканирующего узла, который является оптически сопряженным с инфракрасным излучателем через набор линз и зеркал, а также оптически сопряженным через первый или второй объективы с системой наведения, выход которой подключен к входу блока индикации, выход блока выдачи команд переключения соединен с входом переключателя объективов, первый и второй выходы которого подключены к входам соответственно первого и второго приводов объективов, на которых закреплены соответственно первый и второй объективы.

[43]

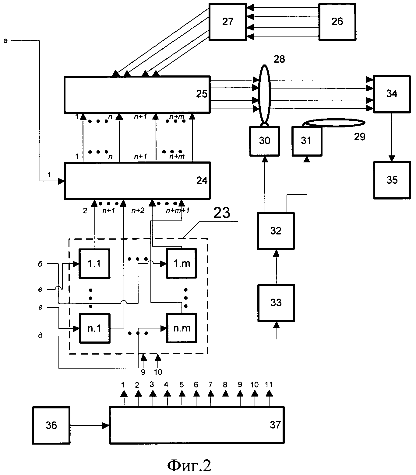
На фиг.1 и 2 представлена функциональная схема устройства имитации инфракрасного излучения наземных объектов для испытаний тепловизионных систем наведения средств поражения (для исключения громоздкости связи между РИ и управляющими входами соответствующих блоков показаны не полностью, а обозначены путем нумерации входов и выходов).

[44]

На фиг.3 представлена циклограмма работы устройства (по оси ординат обозначены номера выходов РИ, а по оси абсцисс - число тактов), причем длительность различных вычислительных операций (сложение и вычитание - один такт, умножение и возведение в квадрат - восемь тактов, деление - шестнадцать тактов, возведение в степень, логарифмирование и вычисление гиперболического тангенса - двадцать тактов) - в верхней части фиг.3.

[45]

Устройство имитации инфракрасного излучения наземных объектов (фиг.1 и 2) содержит первый 1, второй 2, третий 3, четвертый 4 и пятый 5 входные регистры, первую 6 и вторую 7 группы входных регистров, каждая из которых состоит из m×n элементов, первый 8 и второй 9 блоки оценки эмпирических коэффициентов, первый 10, второй 11 и третий 12 блоки оценки коэффициента пропускания атмосферы, первый 13, второй 14 и третий 15 ЭЗ, первый 16 и второй 17 блоки умножения, регистр 18, элемент ИЛИ 19, первую 20 и вторую 21 группы блоков умножения, каждая из которых состоит из m×n элементов, группы блоков 22 возведения в степень и регистров 23, каждая из которых состоит из m×n элементов, блок 24 оценки энергетической яркости излучения, микрозеркальный матричный сканирующий узел 25, инфракрасный излучатель 26, набор 27 линз и зеркал, первый 28 и второй 29 объективы, первый 30 и второй 31 приводы объективов, переключатель 32 объективов, блок 33 выдачи команд переключения, система 34 наведения, блок 35 индикации, генератор 36 тактовых импульсов и РИ 37.

[46]

Наличие только по одному входу у каждого элемента первой группы 20 блоков умножения и группы 22 возведения в степень объясняется следующим. В каждом элементе группы 20 заранее "зашит" один сомножитель, равный постоянной Больцмана, а в каждом элементе группы 22 - показатель степени.

[47]

Первый 13, второй 14 и третий 15 ЭЗ обеспечивают одновременность поступления сигналов на различные входы соответственно блоков 11, 10 и 16.

[48]

Первый блок 8 оценки эмпирических коэффициентов осуществляет вычисления по формулам (1) и (2), а второй 9 оценки эмпирических коэффициентов - по формулам (3) и (4). Первый 10, второй 11 третий 12 блоки оценки коэффициента пропускания атмосферы используют для вычисления соответственно формулы (5), (6) и (7). Блок 24 оценки энергетической яркости излучения работает в соответствии с формулами (11) и (12).

[49]

Следует подчеркнуть, что блоки 8, 9, 10, 11, 12 и 24 являются цифровыми вычислительными и могут быть реализованы в соответствии с рекомендациями приведенных источников информации [1, 2].

[50]

Устройство имитации инфракрасного излучения наземных объектов работает следующим образом. На информационные входы первого 1, второго 2, третьего 3, четвертого 4 и пятого 5 входных регистров засылаются значения соответственно эмпирического параметра γ, протяженность трассы l, эмпирический коэффициент aS, эмпирический коэффициент bS и метеорологическая дальность видимости Sm. На информационные входы каждого из элементов первой 6 и второй 7 групп входных регистров подаются значения соответственно коэффициента εij излучения серого тела и температуры Tij элемента имитируемой цели. При этом управляющий сигнал на входы записи входных регистров 1, 2, 3, 4 и 5 и групп 7 и 8 направляется с первого выхода РИ 37, темп работы которого задается генератором 36 тактовых импульсов.

[51]

По управляющему сигналу со второго выхода РИ 37 на входы считывания первого 1 и второго 2 входных регистров значения γ и l засылаются на входы соответственно первого блока 8 оценки эмпирических коэффициентов и первого ЭЗ 13, второго блока 9 оценки эмпирических коэффициентов и второго ЭЗ 14. С выходов блока 8 эмпирические коэффициенты c(γ) и b(γ), определенные по формулам (1) и (2), подаются на первый и второй входы первого блока 10 оценки коэффициента пропускания атмосферы, на третий вход которого с выхода второго ЭЗ 14 засылается значение l. С выхода блока 10 значений τm35, вычисленное по формуле (5), направляется на первый вход первого блока 16 умножения. С выходов блока 9 эмпирические коэффициенты c(l) и b(l), определенные по формулам (3) и (4), подаются на первый и второй входы второго блока 11 оценки коэффициента пропускания атмосферы, на третий вход которого с выхода первого ЭЗ 13 засылаются значения γ. С выхода блока 11 значение τm812, вычисленное по формуле (6), направляется на первый вход второго блока 17 умножения.

[52]

По управляющим сигналам с третьего, четвертого и пятого выходов РИ 37 на входы считывания соответственно пятого 5, третьего 3 и четвертого 4 входных регистров значения Sm, aS и bS подаются соответственно на третий, первый и второй входы третьего блока 12 оценки коэффициента пропускания атмосферы. С выхода блока 12 значение τa, вычисленное по формуле (7), направляется на второй вход второго блока 17 умножения и на вход третьего ЭЗ 15, с выхода которого это значение засылается на второй вход первого блока 16 умножения. С выхода блока 16 величина τB35, определяемая по формуле (8),подается на первый вход элемента ИЛИ. С выхода блока 17 значение τB812, вычисляемое по формуле (9), направляется на информационный вход регистра 18. При этом управляющий сигнал на вход записи этого регистра подается с седьмого выхода РИ 37.

[53]

По управляющим сигналам с шестого и восьмого выходов РИ 37 на входы считывания соответственно второй 7 и первой 6 групп входных регистров значения Tij и εij направляются соответственно на входы группы 22 блоков возведения в степень и первой группы 20 блоков умножения. Группы 20, 21, и 22 определяют величину светимости Mεij собственного излучения имитируемого изображения цели в соответствии с формулой (10). Эта величина с выходов второй группы 21 блоков произведения засылается на входы группы 23 регистров. При этом управляющий сигнал на входы записи этой группы подается с девятого выхода РИ 37.

[54]

По управляющему сигналу с десятого выхода РИ 37 на входы считывания группы регистров значения Mεij подаются на входы (со второго по (m+n+1)-ый) блока 24 оценки энергетической яркости излучений, на первый вход которого с выхода элемента ИЛИ 19 направляется величина τB35. Поэтому с выхода блока 24 на входы (с первого по (m+n)-ый) микрозеркального матричного сканирующего узла 25 будут записываться значения Leaij35, определяемые по формуле (11) и характеризующие энергетическую яркость излучений для диапазона волн 3-5 мкм. С помощью этой информации блок 25 сканирует излучение, посылаемое инфракрасным излучателем 26 через набор 27 линз и зеркал, и направляет их через первый объектив 28 на оптический вход системы 34 наведения. В данной ситуации вертикальное положение первого объектива 28 обеспечивается первым приводом 30, который действует благодаря переключателю 32 объективов, управляемый с помощью блока 33 выдачи команд переключения.

[55]

Если система 34 наведения исправна, то она анализирует и правильно воспринимает сигналы, имитирующие излучение наземных объектов, имеющих тепловой контраст в спектральном диапазоне 3-5 мкм. В этом случае с выхода системы 34 наведения будет подаваться сигнал на вход блока 35 индикации, на котором высвечивается надпись "штатная ситуация". В случае неисправности системы 34 наведения на блок 35 индикации сигнал не поступает и он будет "молчать".

[56]

В дальнейшем осуществляется проверка системы 34 наведения на восприятие сигналов, имитирующих излучение наземных объектов, имеющих тепловой контраст в спектральном диапазоне 8-12 мкм. По управляющему сигналу с одиннадцатого выхода РИ 37 на вход считывания регистра 18 значение τB812 через элемент ИЛИ 19 подается на первый вход блока 24 оценки энергетической яркости излучений, на остальные входы которого по сигналу с десятого выхода РИ 37 на входы считывания группы 23 регистров будут засылаться значения Mεij. Следовательно, в блоке 24 будут определяться значения Leaij812 в соответствии с формулой (12), которые направляются на входы микрозеркального матричного сканирующего узла 25. Далее работа устройства происходит по уже описанной схеме для интервала спектрального диапазона 3-5 мкм. Отличие состоит в том, что первый объектив 28 будет находиться в горизонтальном расположении, а второй объектив 29 - в вертикальном. В случае, когда при двух вариантах испытаний блок 35 индикации показывает информацию "штатная ситуация", тепловизионное средство поражения, включающее систему 34 наведения, можно будет допустить к эксплуатации. В противном случае эту систему наведения необходимо дополнительно обеспечивать. Порядок функционирования устройства описывается с помощью циклограммы его работы (фиг.3).

[57]

Таким образом, технический результат заявленного изобретения достигается не за счет математического аппарата, а при помощи технических средств (блоков и элементов), упомянутых в описании работы устройства.

[58]

Описанное устройство позволяет повысить показатели эффективности наземных испытаний (временных, точностных характеристик, характеристик достоверности, стоимости) тепловизионных систем наведения средств поражения и инфракрасных обзорно-поисковых систем за счет формирования потока инфракрасного излучения, имитирующего наземные цели. По результатам этих испытаний можно сделать вывод о возможности допуска к эксплуатации средства поражения, включающего испытываемую тепловизионную систему наведения. Промышленная применяемость изобретения обосновывается тем, что оно может быть использовано в разных областях (отраслях) производства при получении информации о результатах испытаний систем наведения инфракрасных обзорно-поисковых систем.

[59]

Источники информации

[60]

1. Руководство пользователя по сигнальным микропроцессорам ADSP-2100. / Пер. с англ. О.В. Луневой. Под ред. А.Д. Викторова; Санкт-Петербургский государственный электротехнический университет. - Санкт-Петербург, 1997. - 520 с.

[61]

2. В.Б. Стешенко. ПЛИС фирмы "ALTERA": Проектирование устройств обработки сигналов. / М.: "Додека", 2000.

Как компенсировать расходы
на инновационную разработку
Похожие патенты