патент
№ RU 2620453
МПК F41F3/04

СПОСОБ ПРОВЕРКИ АППАРАТУРЫ НОСИТЕЛЯ С КОНТРОЛЕМ ЛИНИЙ СВЯЗИ И РЕГИСТРАЦИЕЙ ИНФОРМАЦИОННОГО ОБМЕНА

Авторы:
Васильев Николай Анатольевич
Номер заявки
2016102210
Дата подачи заявки
26.01.2016
Опубликовано
25.05.2017
Страна
RU
Как управлять
интеллектуальной собственностью
Чертежи 
1
Реферат

Изобретение относится к способу проверки аппаратуры носителя. Для проверки аппаратуры носителя с контролем линий связи и регистрацией информационного обмена подают напряжение питания на преобразователь питания пусковой установки носителя, преобразованное напряжение от преобразователя питания подают на центральный управляющий модуль, коммутирующий модуль и встроенный имитатор, задают режим проверки линий связи с помощью центрального управляющего модуля, осуществляют проверку всех линий связи коммутирующих модулей с ракетой и транспортно-пусковым контейнером на короткое замыкание, измеряют разности потенциалов и сопротивления между линиями связи, передают результаты проверки в центральный управляющий модуль, задают режим имитации и задействованные каналы, тип имитируемых ракет, наличие и типы имитируемых ошибок информационного обмена, осуществляют имитацию, передают результаты в центральный управляющий модуль, задают режим регистрации, осуществляют информационный обмен в соответствии с определенным протоколом информационного обмена, передают результаты работы и записанный информационный обмен в центральный управляющий модуль, делают заключение об исправности аппаратуры носителя на основе полученных данных. Обеспечивается регистрация информационного обмена и контроль линий связи аппаратуры подготовки и пуска носителя и ракеты. 1 ил.

Формула изобретения

Способ проверки аппаратуры носителя с контролем линий связи и регистрацией информационного обмена, при котором подают напряжение питания на преобразователь питания пусковой установки носителя, преобразованное напряжение от преобразователя питания подают на центральный управляющий модуль, коммутирующий модуль и встроенный имитатор, с помощью центрального управляющего модуля задают режим проверки линий связи, осуществляют проверку всех линий связи коммутирующих модулей с ракетой и транспортно-пусковым контейнером на короткое замыкание, измеряют разности потенциалов и сопротивления между линиями связи, передают результаты проверки в центральный управляющий модуль, задают режим имитации и задействованные каналы, тип имитируемых ракет, наличие и типы имитируемых ошибок информационного обмена, осуществляют имитацию, результаты работы и записанный информационный обмен передают в центральный управляющий модуль, задают режим регистрации, осуществляют информационный обмен в соответствии с протоколом информационного обмена аппаратуры подготовки и пуска носителя с ракетой, результаты работы и записанный информационный обмен передают в центральный управляющий модуль, на основе полученных данных делают заключение об исправности аппаратуры носителя.

Описание

[1]

Техническое решение относится к информационно-измерительным системам и предназначено для проверки исправности аппаратуры носителей, используемых для размещения беспилотных летательных аппаратов, в частности ракет, и контроля линий связи между беспилотным летательным аппаратом и аппаратурой носителя.

[2]

Из уровня техники известен способ проверки аппаратуры носителя (RU, патент на изобретение №2377649, опубл. 27.12.2009, МПК G06G 7/48, G06F 11/28, F41F 3/04), при котором осуществляют имитацию функционирования ракеты, в том числе и при ошибках цифрового обмена и возможных ошибках разовых команд, наглядно отображают ход и результаты проверки. Перед проведением проверки взаимодействия имитатора ракеты с аппаратурой носителя осуществляют проверку линий связи между ракетой и аппаратурой носителя путем поочередного подключения к разъему устройства имитации проверяемых каналов аппаратуры носителя. Данный способ реализован при помощи устройства, включающего в себя управляющий модуль, модули ввода-вывода цифровых данных и разовых команд, задания параметров информационного обмена, задания ошибок цифрового обмена и разовых команд. Недостатками данного способа являются отсутствие возможности контроля линий связи с помощью штатного подключения проверочного устройства, невозможность одновременной регистрации информационного обмена, а также невозможность проверки при наличии ракеты в транспортно-пусковом контейнере.

[3]

Из уровня техники известен способ проверки аппаратуры носителя, позволяющий отрабатывать безопасный пуск авиационной управляемой ракеты (RU, патент на изобретение №2422910, МПК G09B 19/00, G06F 11/28, F41F 3/04), при котором к аппаратуре носителя через бортовой разъем подключают учебно-летную ракету, имитируют функционирование и токопотребление ракеты, записывают информационный обмен на внутреннее запоминающее устройств и проводят послеполетный анализ. Недостатками данного способа являются недостаточно высокая достоверность проверки из-за невозможности контроля линий связи аппаратуры носителя и ракеты, невозможность одновременной регистрации информационного обмена, а также невозможность отработки действий летчика во внештатных ситуациях.

[4]

Задачей предлагаемого изобретения является устранение вышеперечисленных недостатков, создание способа проверки аппаратуры носителя, позволяющего одновременно регистрировать информационный обмен, а также осуществлять контроль линий связи аппаратуры подготовки и пуска носителя и ракеты с использованием штатных соединений.

[5]

Поставленная задача решается за счет того, что способ проверки аппаратуры носителя с контролем линий связи и регистрацией информационного обмена осуществляют следующим образом: подают напряжение питания на преобразователь питания пусковой установки носителя, преобразованное напряжение питания от преобразователя питания подают на центральный управляющий модуль, коммутирующий модуль и встроенный имитатор, с помощью центрального управляющего модуля задают режим проверки линий связи, осуществляют проверку всех линий связи коммутирующих модулей с ракетой и транспортно-пусковым контейнером на короткое замыкание, измеряют разности потенциалов и сопротивления между линиями связи, передают результаты проверки в центральный управляющий модуль, задают режим имитации и задействованные каналы, тип имитируемых ракет, наличие и типы имитируемых ошибок информационного обмена, осуществляют имитацию, результаты работы и данные записанного информационного обмена передают в центральный управляющий модуль, задают режим регистрации, осуществляют информационный обмен в соответствии с протоколом информационного обмена аппаратуры подготовки и пуска носителя с ракетой, результаты работы и данные записанного информационного обмена передают в центральный управляющий модуль, на основе полученных данных делают заключение об исправности аппаратуры носителя.

[6]

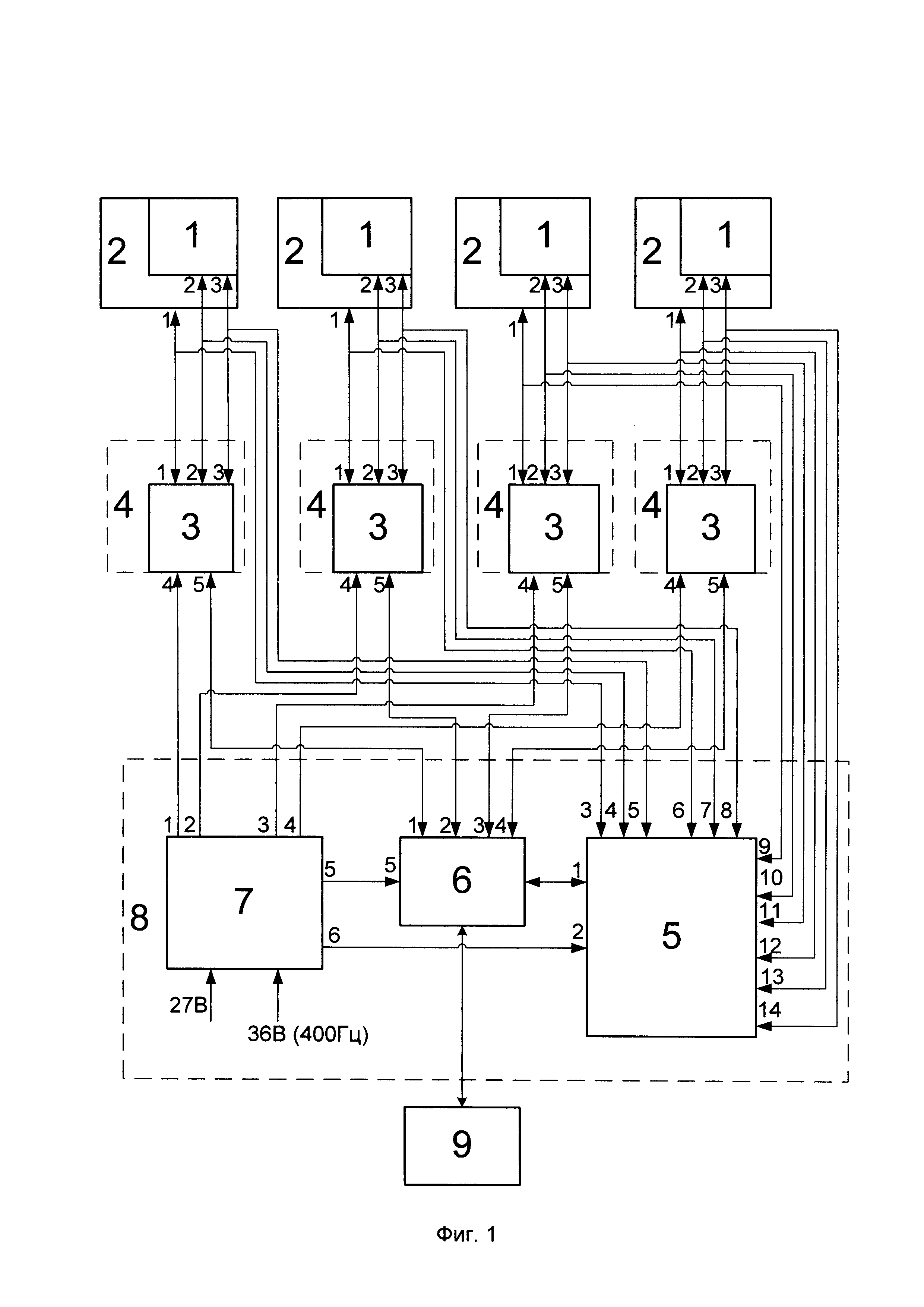
Сущность изобретения поясняется фиг. 1, на которой представлена структурная схема одного из вариантов корабельного ракетного комплекса для реализации способа проверки аппаратуры носителя с контролем линий связи и регистрацией информационного обмена.

[7]

На фиг. 1 обозначены:

[8]

1 - ракета;

[9]

2 - транспортно-пусковой контейнер;

[10]

3 - блок соединителей;

[11]

4 - коммутирующий модуль;

[12]

5 - встроенный имитатор;

[13]

6 - центральный управляющий модуль;

[14]

7 - преобразователь питания;

[15]

8 - основание пусковой установки;

[16]

9 - автоматизированная система боевого управления.

[17]

Предлагаемый способ заключается в том, что подают питающее напряжение 27 В и 36 В (400 Гц) от аппаратуры носителя на преобразователь питания 7, преобразованное напряжение от преобразователя питания 7 подают на центральный управляющий модуль 6, коммутирующий модуль 4 и встроенный имитатор 5. С помощью центрального управляющего модуля 6 задают режим проверки линий связи, осуществляют проверку всех линий связи коммутирующих модулей 4 каждого из четырех каналов корабельного ракетного комплекса с ракетой 1 и транспортно-пусковым контейнером 2 на короткое замыкание. Затем измеряют разности потенциалов и сопротивления между линиями связи и передают результаты проверки в центральный управляющий модуль 6. Задают режим имитации и задействованные каналы, тип имитируемых ракет 1, наличие и типы имитируемых ошибок информационного обмена, осуществляют имитацию. Результаты работы и записанные данные информационного обмена передают в центральный управляющий модуль 6. При выборе режима регистрации осуществляют информационный обмен в соответствии с протоколом информационного обмена аппаратуры носителя с ракетой 1, результаты работы и записанные данные информационного обмена передают в центральный управляющий модуль 6, на основе полученных данных делают заключение об исправности аппаратуры пусковой установки.

[18]

Предлагаемый способ реализован с помощью встроенного палубного имитатора 5, имеющего три режима работы: режим проверки линий связи (ПЛС), режим имитации и режим регистрации.

[19]

В режиме ПЛС осуществляют проверку всех линий связи аппаратуры пусковой установки носителя с ракетой на короткое замыкание, измеряют разности потенциалов (кроме опасных цепей) и сопротивлений между линиями связи, измеряют сопротивления изоляции между положительными/отрицательными полюсами питающих напряжений и корпусом. Результаты проверки встроенный имитатор 5 передает в центральный управляющий модуль 6.

[20]

В режиме имитации осуществляют имитацию наличия ракеты 1 в транспортно-пусковом контейнере 2 и реализуют информационный обмен с аппаратурой пусковой установки носителя. Для проверки реакции аппаратуры пусковой установки носителя на нештатные ситуации производят имитацию ошибок информационного обмена. Результаты проверки встроенный имитатор 5 передает в центральный управляющий модуль 6.

[21]

В режиме регистрации осуществляют регистрацию информационного обмена аппаратуры пусковой установки носителя с ракетой, включая цифровой обмен, аналоговые сигналы и питающие напряжения. Зарегистрированную информацию встроенный имитатор передает в центральный управляющий модуль 6.

[22]

Управление имитатором 5: выбор режимов работы имитируемой ракеты, задание ошибок информационного обмена осуществляют с центрального управляющего модуля 6, при этом связь встроенного имитатора 5 с центральным управляющим модулем 6 может быть осуществлена с помощью Ethernet или RS.

[23]

На фиг. 1 представлен вариант реализации способа для корабельного комплекса с четырьмя ракетами 1, размещенными в транспортно-пусковых контейнерах 2. Первые группы входов-выходов транспортно-пусковых контейнеров соединена с первыми группами входов-выходов соответствующих блоков соединителей 3, расположенных в коммутирующем модуле 4. Первая группа входов-выходов коммутирующего модуля 4 первого канала соединена с первой группой входов-выходов (разъемом транспортно-пускового контейнера 2), вторая группа входов-выходов коммутирующего модуля 4 соединена с бортразъемом первой проверяемой ракеты 1, третья группа входов-выходов коммутирующего модуля 4 соединена с разъемом стартового двигателя проверяемой ракеты 1. Четвертые группы входов коммутирующих модулей 4 первого, второго, третьего и четвертого каналов соединены соответственно с первой, второй, третьей и четвертой группами выходов преобразователя питания 7. Пятые группы входов-выходов коммутирующих модулей 4 первого, второго, третьего и четвертого каналов соединены соответственно с первой, второй, третьей и четвертой группами центрального управляющего модуля 6. Основание пусковой установки 8 выполнено в виде размещенного на палубе корабля фундамента, в котором расположены: встроенный имитатор 5, центральный управляющий модуль 6 и преобразователь питания 7. Третья группа входов-выходов проверяемой ракеты 1 (разъем стартового двигателя) соединена с первой группой входов-выходов коммутирующего модуля 4.

[24]

Предлагаемый способ может быть реализован с помощью палубного имитатора в составе малогабаритной аппаратуры подготовки и пуска ракеты, разрабатываемой для корабельного ракетного комплекса «Уран-МК». Встроенный палубный имитатор 5 встраивают в систему связей коммутирующего модуля 4 с ракетой с помощью параллельных отводов всех линий связи. В отличие от существующих имитаторов, он не требует отстыковки штатных жгутов пусковой установки, места для хранения, а также отдельного внешнего питания.

[25]

Рассмотрим работу системы на примере работы схемы, представленной на фиг. 1.

[26]

Подают напряжение питания 27 В и 36 В (400 Гц) на преобразователь питания 7, преобразованное напряжение передают в блок соединителей 3, встроенный имитатор 5 и центральный управляющий модуль 6. Центральный управляющий модуль 6 устанавливает информационную связь (Ethernet) с автоматизированной системой боевого управления (АСБУ), задающей режим работы всего корабельного комплекса. С помощью коммутирующего модуля 4 устанавливают информационную связь (RS-422) с центральным управляющим модулем 6, и задают режим его работы. Встроенный имитатор 5 устанавливает информационную связь (RS-422) с центральным управляющим модулем 6, задающим режим его работы.

[27]

В режиме проверки линий связи центральный управляющий модуль 6 задает рабочий режим проверки линий связи встроенному имитатору 5, который переходит в режим проверки линий связи и осуществляет проверку всех линий связи коммутирующих модулей 4 каждого из каналов с ракетой 1 и транспортно-пусковым контейнером 2 на короткое замыкание, измеряет разности потенциалов (кроме опасных цепей) и сопротивлений между линиями связи каждого коммутирующего модуля 4 с ракетой 1 и транспортно-пусковым контейнером 2, измеряет сопротивление изоляции между положительными/отрицательными полюсами питающих напряжений и корпусом. Результаты проверки встроенный имитатор 5 передает в центральный управляющий модуль 6, который передает их в АСБУ.

[28]

В режиме имитации центральный управляющий модуль 6 задает рабочий режим имитации встроенному имитатору 5 и передает во встроенный имитатор 5 параметры имитации (задействованные каналы, тип имитируемых ракет 1, наличие и типы имитируемых ошибок информационного обмена). Встроенный имитатор 5 проверяет наличие ракет 1 в транспортно-пусковых контейнерах 2 заданных каналов, при их отсутствии встроенный имитатор 5 переходит в режим имитации ракеты в транспортно-пусковом контейнере 2 с учетом параметров, полученных от центрального управляющего модуля 6, и передает в центральный управляющий модуль 6 данные о своей готовности и выставленных параметрах имитации. Получив данные о готовности встроенного имитатора 5 и верные параметры имитации, центральный управляющий модуль 6 передает в соответствующие коммутирующие модули 4 данные о выборе одного из штатных режимов работы и данные для наполнения информационных массивов носителя. Коммутирующий модуль 4 переходит в заданный режим работы и осуществляет информационный обмен в соответствии с протоколом информационного обмена АПП носителя с ракетой 1. Результаты работы и записанные данные информационного обмена со встроенным имитатором 5 коммутирующий модуль 4 передает в центральный управляющий модуль 6. Центральный управляющий модуль 6 передает данные, полученные от коммутирующих модулей 4 и встроенного имитатора 5 в АСБУ.

[29]

В режиме регистрации центральный управляющий модуль 6 задает режим регистрации встроенному имитатору 5, передает в коммутационные модули 4 соответствующих каналов заданный режим работы и данные для наполнения информационных массивов носителя. Коммутирующий модуль 4 осуществляет информационный обмен в соответствии с протоколом информационного обмена АПП носителя с ракетой 1. Результаты работы и записанные данные информационного обмена с ракетой 1 в транспортно-пусковом контейнере 2 коммутационный модуль 4 передает в центральный управляющий модуль 6. Объективно зарегистрированные данные информационного обмена коммутационных модулей 4 с ракетами 1 в транспортно-пусковых контейнерах 2 встроенный имитатор 5 передает в центральный управляющий модуль 6, который передает их в АСБУ.

[30]

Встроенный имитатор 5 обеспечивает проверку готовности пусковой установки носителя с использованием реальных информационных и электрических связей пусковой установки носителя с ракетой, в том числе имитацию нештатных ситуаций, и позволяет проводить проверку линий связи аппаратуры носителя с ракетой и регистрировать информационный обмен. При осуществлении данного способа используются только штатные подключения и виды соединений, это позволяет уменьшить время проведения проверочных работ и повысить надежность соединений, а также уменьшить количество личного состава, необходимого для обслуживания ракетного комплекса. Предлагаемый способ может быть использован для проверки аппаратуры различных типов носителей, например корабельных или наземных.

[31]

Представленные чертеж и описание позволяют осуществить способ промышленным способом, что характеризует предлагаемое изобретение как промышленно применимое.

Как компенсировать расходы
на инновационную разработку
Похожие патенты