патент
№ RU 2408876
МПК G01N27/22

СПОСОБ ИЗМЕРЕНИЯ КОНЦЕНТРАЦИИ ВЕЩЕСТВ В СРЕДАХ

Авторы:
Ермаков Вячеслав Алексеевич
Номер заявки
2009124842/28
Дата подачи заявки
29.06.2009
Опубликовано
10.01.2011
Страна
RU
Как управлять
интеллектуальной собственностью
Чертежи 
2
Реферат

Предлагаемое изобретение относится к области измерительной техники и может быть использовано для измерения концентрации в диэлектрической среде веществ с другими диэлектрическими или магнитными свойствами. Способ измерения концентрации веществ в средах заключается во взаимодействии образца испытуемой среды с емкостным или индуктивным датчиком, включенными в колебательный контур, измерении параметров колебательного контура, сравнении их с эталонными значениями для образцов испытуемых сред и оценке результатов сравнения, при этом непосредственно перед измерениями определяют параметры колебательного контура при отсутствии взаимодействия какого-либо образца с датчиком, а в зависимости от этого измеренного значения параметра колебательного контура выбирают эталонные зависимости для образцов испытуемых сред, а характеристики испытуемой среды определяют по данным эталонным зависимостям в зависимости от величины измеренного параметра колебательного контура при взаимодействии образца испытуемой среды с датчиком. Изобретение обеспечивает повышение достоверности измерений в производственных условиях, в частности при изменении температуры в помещении. 3 ил.

Формула изобретения

Способ измерения концентрации веществ в средах, включающий измерение собственной частоты колебательного контура, в который включен емкостный или индуктивный датчик, при отсутствии взаимодействия какого-либо образца с датчиком, выбор по этому измеренному значению эталонной зависимости для образца исследуемой среды, размещение образца исследуемой среды в датчике, измерение собственной частоты колебательного контура с образцом исследуемой среды и определение концентрации вещества в исследуемой среде по полученным эталонным зависимостям в зависимости от величины разности измеренных собственных частот колебательного контура без образца исследуемой среды и с образцом исследуемой среды.

Описание

[1]

Предлагаемое изобретение относится к области измерительной техники и может быть использовано в различных отраслях промышленности для измерения концентрации в диэлектрической среде веществ с другими диэлектрическими или магнитными свойствами, например, влажности древесины, зерна, муки и т.д. или концентрации магнитных включений в диэлектрических жидкостях или пластмассах.

[2]

Известен способ измерения электрических и магнитных характеристик сред, в частности, для определения концентрации какого-либо вещества в среде, включающий размещение образца исследуемой среды в датчике, измерение собственной частоты колебательного контура, в который включен емкостный или индуктивный датчик с образцом исследуемой среды, и определение концентрации вещества в исследуемой среде по эталонным зависимостям в зависимости от величины разности измеренных собственных частот колебательного контура без образца исследуемой среды и с образцом исследуемой среды (см. а.с. СССР № 1372226, опубл. 07.02.1988 г.).

[3]

Недостатком данного способа является низкая точность измерения. В частности, при изменении температуры изменяются параметры колебательного контура и параметры среды, что приводит к ошибкам при измерении. Эти же недостатки присущи и техническому решению по патенту РФ № 2149390, опубл. 20.05.2000 г. и именно поэтому измерения по данному способу осуществляют только при известной температуре.

[4]

Наиболее близким к предлагаемому является способ измерения концентрации веществ в средах, включающий размещение образца исследуемой среды в датчике, измерение собственной частоты колебательного контура, в который включен емкостный или индуктивный датчик с образцом исследуемой среды, и определение концентрации вещества в исследуемой среде по эталонным зависимостям в зависимости от величины разности измеренных собственных частот колебательного контура без образца исследуемой среды и с образцом исследуемой среды, в котором, в отличие от вышеприведенных технических решений, образцы испытуемой среды и эталонной среды взаимодействуют с емкостным или индуктивным датчиком поочередно (см. патент РФ № 2275625, опубл. 27.04.2006 г.). Это позволяет несколько повысить точность измерений, но существенно усложняет сам процесс измерения, так как необходимо постоянно чередовать измерения параметров колебательного контура при взаимодействии с датчиком образцов испытуемой среды и образцов эталонной среды. Кроме этого, параметры колебательного контура зависят и от температуры, поэтому необходимо либо поддерживать заданную температуру в помещении, где проводятся измерения, для достижения заданной температуры образцов испытуемой и эталонной сред и устройств, реализующих способ, либо, по крайней мере, периодически, измерять эту температуру и вводить в показания приборов соответствующие поправки. Для реализации способа в производственных условиях необходимо измерительное устройство оснащать термочувствительным элементом, например, терморезистором и системой преобразования сигнала от термочувствительного элемента, что усложняет реализацию способа и увеличивает погрешность измерений.

[5]

Указанные недостатки ограничивают возможность применения данного способа.

[6]

Задачей данного изобретения является повышение достоверности измерений в производственных условиях, в частности при изменении температуры в помещении.

[7]

Технический результат заключается в достижении возможности упрощения конструкции устройства, реализующего способ.

[8]

Для получения указанного технического результата предлагается способ измерения концентрации веществ в средах, включающий измерение собственной частоты колебательного контура, в который включен емкостный или индуктивный датчик, при отсутствии взаимодействия какого-либо образца с датчиком, выбор по этому измеренному значению эталонной зависимости для образца исследуемой среды, размещение образца исследуемой среды в датчике, измерение собственной частоты колебательного контура с образцом исследуемой среды и определение концентрации вещества в исследуемой среде по полученным эталонным зависимостям в зависимости от величины разности измеренных собственных частот колебательного контура без образца исследуемой среды и с образцом исследуемой среды.

[9]

Отличительные признаки заявляемого технического решения: измерение собственной частоты колебательного контура, в который включен емкостный или индуктивный датчик, при отсутствии взаимодействия какого-либо образца с датчиком и выбор по этому измеренному значению эталонной зависимости для образца исследуемой среды.

[10]

Указанные отличительные признаки в известных технических решениях не обнаружены.

[11]

Предложенный способ позволяет без измерения температуры в процессе измерения параметров колебательного контура и без введения в конструкцию измерительных приборов каких-либо термочувствительных датчиков и преобразователей производить с высокой точностью измерения в условиях нестабильной температуры окружающей среды. Кроме этого, для реализации способа в конструкции устройства достаточно одного колебательного контура, что дополнительно упрощает данное устройство.

[12]

На фиг.1 и фиг.2 приведены примеры структурных схем устройств, реализующих данный способ, а именно структурная схема влагомера для древесины (фиг.1) и структурная схема прибора для измерения концентрации магнитопорошковой суспензии (фиг.2). На фиг.3 изображена зависимость отклонения частоты (Δf) в колебательном контуре одного из устройств при изменении температуры окружающей среды в условиях отсутствия взаимодействия датчика с каким-либо образцом.

[13]

Пример 1. Влагомер для древесины (фиг.1) содержит колебательный контур 1, включающий емкостный датчик 2 и индуктивность 3. Колебательный контур 1 включен в обратную связь усилителя 4 и вместе они образуют генератор незатухающих колебаний. Выход усилителя 4 связан с контроллером 5, а контроллер 5 - с блоком индикации 6.

[14]

Для определения концентрации влаги в древесине емкостный датчик 2 прикладывают к испытуемому образцу 7. В зависимости от породы древесины и ее влажности, а также температуры окружающей среды, изменяется электрическая емкость емкостного датчика 2 и, соответственно, частота собственных колебаний в колебательном контуре 1. Разность частот колебательного контура при наличии испытуемого образца 7 и без образца при одной и той же температуре является параметром, по которому определяется влажность образца 7. Для учета влияния температуры непосредственно перед измерениями влажности древесины измеряют отклонение частоты колебательного контура 1 устройства при отсутствии взаимодействия какого-либо образца с датчиком 2. По этой величине отклонения контроллер 5 выбирает эталонную зависимость, по которой и будет проводиться измерение влажности. Из графика фиг.3, полученного для одного из устройств опытным путем, видно, что отклонение частоты (Δf) в колебательном контуре в условиях отсутствия взаимодействия датчика с каким-либо образцом зависит от температуры и является параметром, по которому целесообразно выбирать эталонные зависимости. Непосредственно после выбора эталонной зависимости проводится определение влажности образца путем сравнения частоты в колебательном контуре при контакте образца 7 с емкостным датчиком 2 и при отсутствии контакта, при этом сопоставление разности частот с соответствующей эталонной зависимостью производится также с помощью контроллера 5, а индикация результатов вычислений производится с помощью блока индикации 6.

[15]

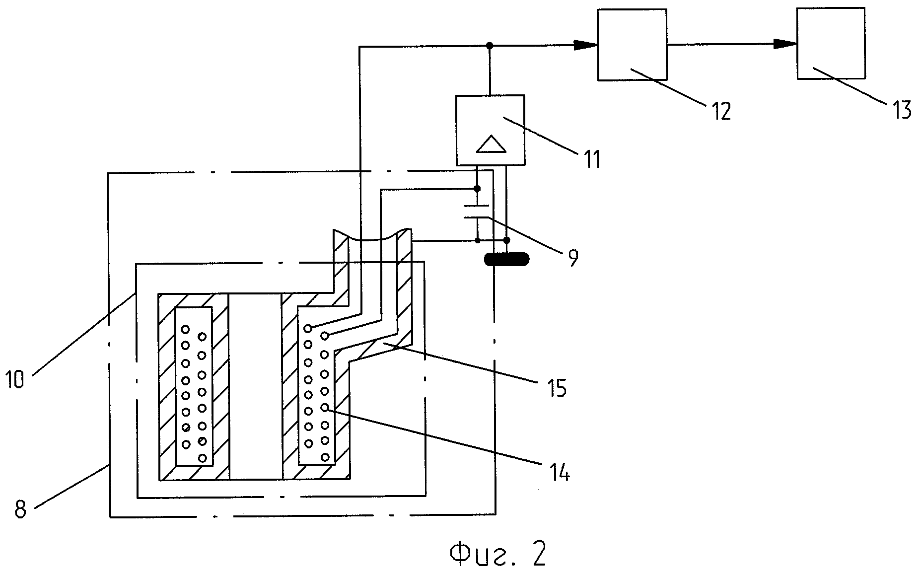
Пример 2. Прибор для измерения концентрации магнитопорошковой суспензии (фиг.2) содержит колебательный контур 8, включающий емкость 9 и индуктивный датчик 10. Колебательный контур 8 включен в обратную связь усилителя 11 и вместе они образуют генератор незатухающих колебаний. Выход усилителя 11 связан с контроллером 12, а контроллер 12 - с блоком индикации 13. Индуктивный датчик 10 представляет собой катушку индуктивности из проводника 14, заключенную в герметичный корпус 15 в виде полого цилиндра.

[16]

Для измерения концентрации магнитопорошковой суспензии, в частности, в процессе приготовления контрольного раствора для магнитопорошковой дефектоскопии, индуктивный датчик 10 опускается в контрольный раствор таким образом, чтобы полость корпуса 15 была заполнена контрольным раствором. В зависимости от концентрации магнитопорошковой суспензии и температуры окружающей среды изменяется индуктивность индуктивного датчика 10 и, соответственно, частота собственных колебаний в колебательном контуре 8. Разность частот колебательного контура при наличии контрольного раствора в полости корпуса 15 индуктивного датчика 10 и при отсутствии раствора при одной и той же температуре является параметром, по которому определяется концентрация магнитопорошковой суспензии. Для учета влияния температуры непосредственно перед измерениями концентрации магнитопорошковой суспензии измеряют отклонение частоты колебательного контура 8 устройства при отсутствии контрольного раствора в индуктивном датчике 10. По этой величине отклонения контроллер 12 выбирает эталонную зависимость, по которой и будет проводиться измерение концентрации магнитопорошковой суспензии, так как именно эта величина характеризует температуру элементов колебательного контура и, соответственно в установившемся режиме, температуру окружающей среды. Температурная зависимость для любого колебательного контура аналогична приведенной на фиг.3. После выбора эталонной зависимости проводится определение концентрации магнитопорошковой суспензии путем сравнения частоты в колебательном контуре при наличии контрольного раствора в полости корпуса 15 индуктивного датчика 10 и при отсутствии раствора, при этом сопоставление разности частот с соответствующей эталонной зависимостью производится также с помощью контроллера 12, а индикация результатов вычислений производится с помощью блока индикации 13.

[17]

Таким образом, предложенный способ позволяет путем измерения такого параметра колебательного контура, как частота собственных колебаний, определять не только концентрацию веществ в средах, например концентрацию воды в древесине (влажность) или концентрацию магнитного порошка в контрольной жидкости, но и компенсировать изменения температуры окружающей среды, что значительно повышает достоверность измерений. При этом в конструкции устройств, реализующих способ, достаточно одного колебательного контура и не устанавливается каких-либо дополнительных элементов, например термочувствительных датчиков и преобразователей, которые снижают надежность работы устройств.

[18]

Применение данного способа измерений в экспериментальных образцах влагомера для древесины и измерителя концентрации магнитопорошковой суспензии позволило упростить конструкцию устройств и расширить температурный диапазон их работы.

Как компенсировать расходы
на инновационную разработку
Похожие патенты