Изобретение относится к радиолокации и может быть использовано в различных радиолокационных системах, где требуется высокое разрешение по дальности. Достигаемый технический результат - увеличение разрешающей способности по дальности. Указанный технический результат достигается тем, что требуемая рабочая полоса частот с шириной В разбивается на N неперекрывающихся поддиапазонов с полосой частот Вk, k=1…N, таким образом, что где
. Несущие частоты поддиапазонов являются взаимнокогерентными (формируются от общего опорного генератора):
- нижняя несущая частота;
- интервал между несущими частотами, не превышающей максимальной полосы сигнала Вk. С целью увеличения рабочей дальности в каждом поддиапазоне осуществляется фазовая модуляция (манипуляция) сигнала (линейная или нелинейная частотная модуляция, фазокодовая манипуляция) и при приеме осуществляется сжатие сигнала. Результирующий сигнал получается в результате суммирования сжатых сигналов с учетом фазы их несущей. Для уменьшения боковых лепестков в результирующем сигнале фазовая модуляция (манипуляция) может производиться по индивидуальному закону для каждой несущей частоты. 3 ил.
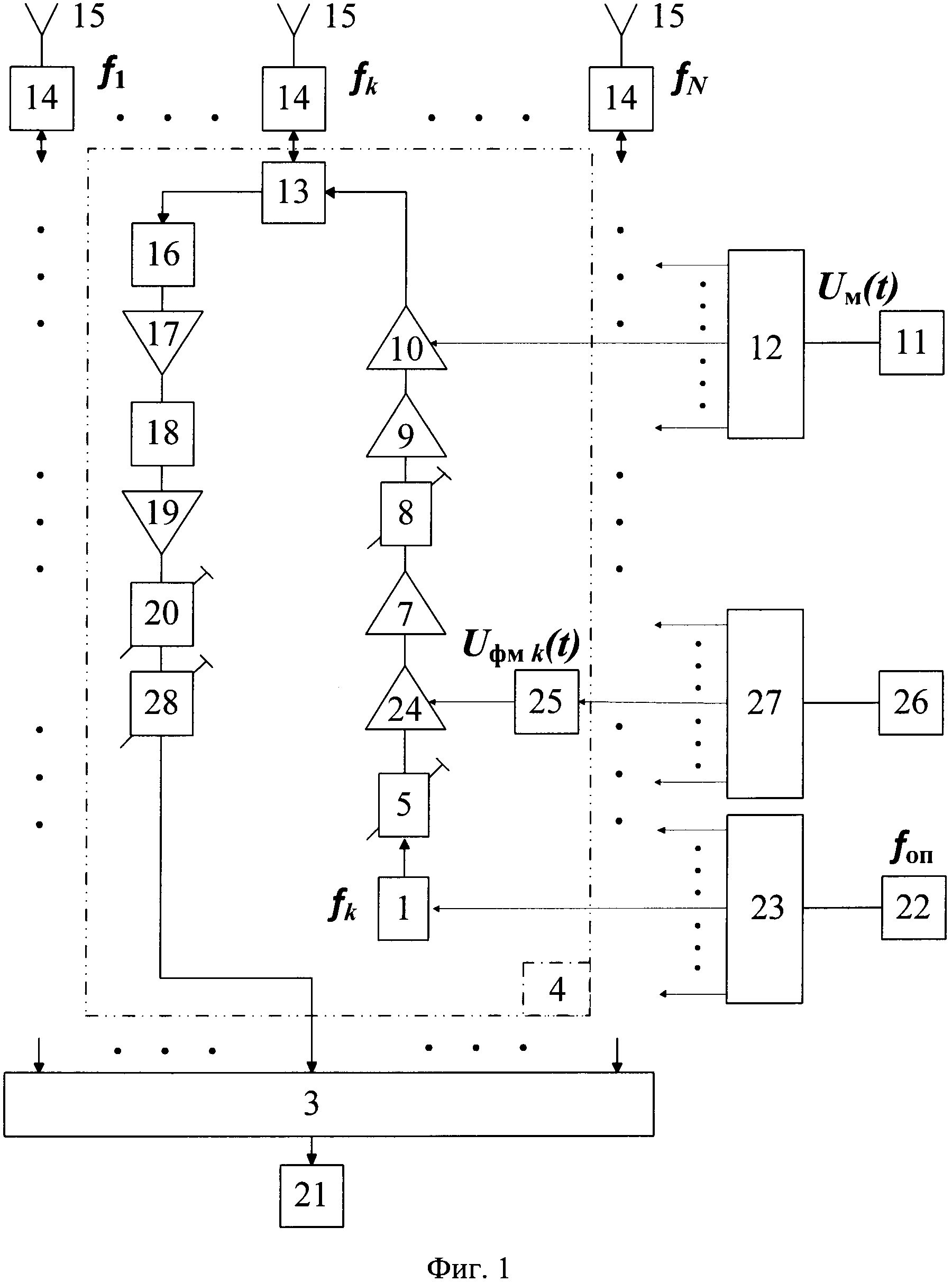
Сверхширокополосный радиолокатор с активной многочастотной антенной решеткой, состоящий из активных модулей, вход-выход каждого из которых через согласующее устройство соединен с приемо-передающим элементом антенной решетки и генератора сигнала импульсной модуляции, выход которого соединен со входом распределительной системы сигнала импульсной модуляции, сигналы с выходов активных модулей поступают на входы суммирующего устройства, выход которого соединен с входом выходного устройства; в состав активных модулей входят переключатель «прием-передача», вход-выход которого является входом-выходом активного модуля, приемный и передающий тракты; передающий тракт активного модуля состоит из первого предварительного усилителя, выход которого соединен со входом первого управляемого аттенюатора, выход первого управляемого аттенюатора соединен со входом второго предварительного усилителя, выход второго предварительного усилителя соединен со входом усилителя мощности, выход усилителя мощности соединен со входом переключателя «прием-передача», а на вход сигнала модуляции усилителей мощности каждого активного модуля поступает сигнал импульсной модуляции с каждого выхода распределительной системы сигнала импульсной модуляции; приемный тракт активного модуля состоит из защитного устройства, сигнал на вход которого поступает с выхода переключателя «прием-передача», выход защитного устройства соединен со входом первого малошумящего усилителя, выход первого малошумящего усилителя соединен со входом согласованного фильтра, выход согласованного фильтра соединен со входом второго малошумящего усилителя, выход которого соединен со входом второго управляемого аттенюатора, отличающийся тем, что спектр излучаемого и принимаемого предлагаемым устройством сигнала, имеющий ширину полосы частот В, разбивается на N неперекрывающихся поддиапазонов с полосой частот Вk, k=1…N, так что выполняется условие
, сигнал в каждом поддиапазоне формируется и принимается в отдельном активном модуле, излучается и принимается отдельным элементом антенной решетки, при этом несущие частоты поддиапазонов являются взаимнокогерентными и образуют сетку частот
, где
- нижняя несущая частота,
- интервал между несущими частотами, не превышающей максимальной полосы сигнала Вk, кроме того, для получения сигнала с большой базой с целью его сжатия при приеме осуществляется фазовая модуляция (манипуляция) сигнала по одинаковому для всех поддиапазонов или индивидуальному для каждого поддиапазона закону; для этих целей в передающий тракт каждого активного модуля введены возбудитель, генерирующий сигнал с частотой
, управляемый фазовращатель, фазовый модулятор и генератор фазовой модуляции (манипуляции), так что сигнал с выхода возбудителя поступает на вход управляемого фазовращателя, выход управляемого фазовращателя соединен со входом фазового модулятора, выход фазового модулятора соединен со входом первого предварительного усилителя, управляющий вход фазового модулятора соединен с выходом генератора фазовой модуляции; взаимная когерентность несущих частот обеспечивается опорным генератором, выход которого соединен со входом распределительной системы опорного сигнала, а каждый выход распределительной системы опорного сигнала соединен со входом каждого возбудителя; фазовая модуляция (манипуляция) во всех поддиапазонах синхронизируется с помощью опорного генератора модулирующих сигналов, выход которого соединен со входом распределительной системы опорного сигнала модулирующих сигналов, а каждый выход этой распределительной системы соединен со входом каждого генератора фазовой модуляции; в приемный тракт каждого активного модуля введены управляемые линии задержки, выход которых служит выходом активного модуля, а вход соединен с выходом второго управляемого аттенюатора.
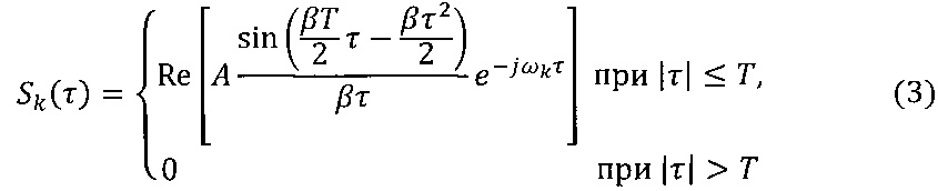
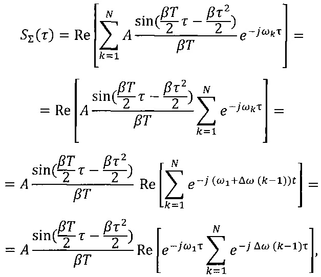
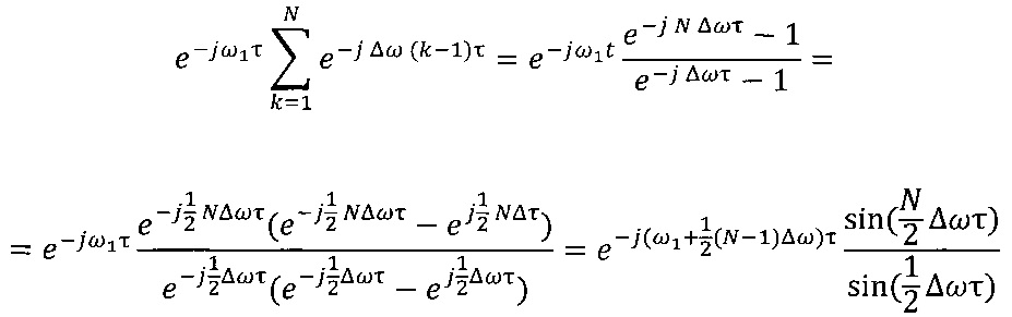
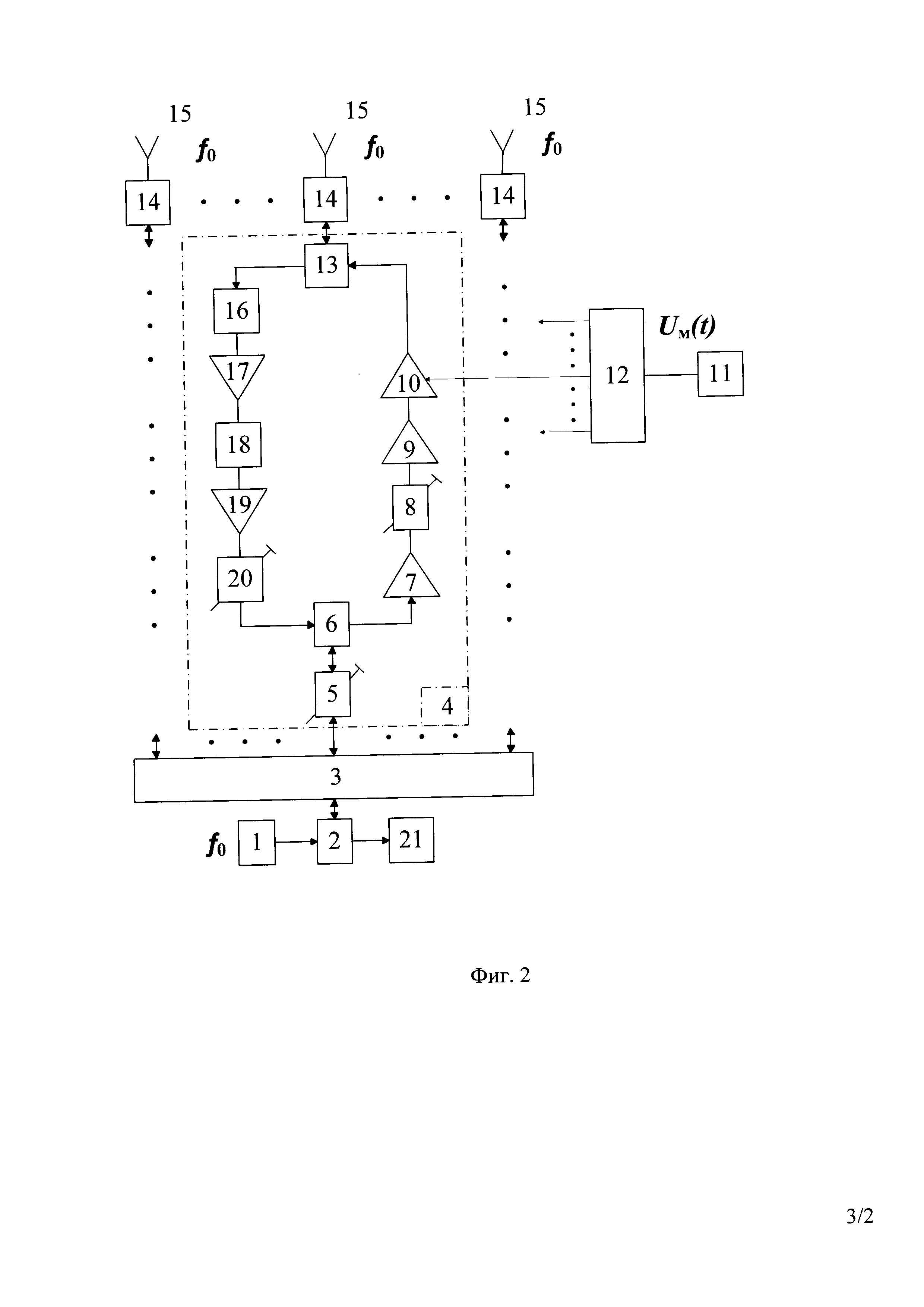
Изобретение относится к радиолокации и может быть использовано в различных радиолокационных системах, где требуется высокое разрешение по дальности. Известны короткоимпульсные РЛС, в которых в качестве генератора импульсов используются дрейфовые диоды с резким восстановлением [1]. Недостатком таких РЛС является малая дальность работы (несколько десятков метров при параметрах генераторного диода, близких к предельным - импульсное напряжение 1 кВ на нагрузке 50 Ом). Кроме того, предел разрешающей способности по дальности этих РЛС ограничен минимальной длительностью излучаемого импульса (длительность переднего фронта - 0,6 нс). Известны короткоимпульсные РЛС, построенные на релятивистских лампах обратной волны [2]. Такие РЛС имеют длительность импульса более 1 нс, что является основным их недостатком. Есть предложения по использование в РЛС с высоким разрешением по дальности генераторов коротких видеоимпульсов, принцип работы которых основан на вырезании короткого импульса из более длинного с помощью газового разрядника (слейсера) [2]. С помощью такого устройства были получены импульсы 1-5 нс с выходной мощностью до 400 МВт, с перспективой увеличения до 1 ГВт, с частотой повторения 100 Гц, со стабильностью не более 3%; стабильность же длительности импульса оказалась менее 10%, что является недостаточной для обнаружения объектов с малой ЭПР. Кроме того, максимум энергии в спектре излучаемого сигнала сосредоточен в дециметровом и низкочастотной части сантиметрового диапазона длин волн, поэтому разрешающая способность ограничена единицами наносекунд. Общим недостатком для всех известных устройств являются проблемы согласования антенной системы с передатчиком и приемником в широкой и сверхширокой (ШП и СШП) полосе частот, а следовательно, сложность получения высокого коэффициента усиления антенн в рабочей полосе частот. Также способ формирования импульсов в указанных устройствах исключает возможность использования известных способов сжатия импульсов [3]. В качестве прототипа выбрана РЛС с активной фазированной решеткой (АФАР) [4]. В каналах АФАР могут быть использованы традиционные усилительные приборы СВЧ-диапазона (клистроны, амплитроны, транзисторные усилители), при этом требуемая дальность работы РЛС достигается выбором необходимого количества каналов АФАР. Однако недостатком прототипа является ограниченная полоса частот усилителей мощности, а значит, ограниченная разрешающая способность. Например полоса одного из мощных широкополосных усилительных приборов - ламп бегущей волны (ЛБВ) непрерывного действия - не превышает одну октаву в диапазоне частот 1…4 ГГц, а с повышением рабочей частоты становится еще меньше [5]. Полоса частот мощных импульсных ЛБВ не превышает 1 ГГц при рабочей частоте 15 ГГц [5]. Техническим результатом изобретения является расширение рабочей полосы частот РЛС с целью увеличения разрешающей способности по дальности. Получение технического результата обеспечивается совокупностью существенных признаков прототипа и предлагаемого изобретения. Структурная схема предлагаемого устройства представлена на фиг. 1. Структурная схема прототипа представлена на фиг. 2. В состав прототипа входят возбудитель (1), переключатель «прием-передача» (ППП) распределительной системы (2), распределительная система (PC) (3), которая в режиме приема работает как сумматор принятых сигналов, а при передаче - как распределительное устройство сигнала возбудителя, активные модули (AM) (4), состоящие из ППП (6 и 13), фазовращателей (5) и приемного и передающего трактов. В состав передающего тракта AM входят первый и второй предварительные усилители (7 и 9), первый управляемый аттенюатор (8) и усилитель мощности (10), на который поступает сигнал импульсной модуляции Uм(t) с генератора сигнала импульсной модуляции (11) через PC модулирующего сигнала (12). Излучаемый сигнал через ППП (13) и согласующее устройство (14) поступает на приемо-передающий элемент антенной решетки (15). Отраженный от объекта локации и принятый элементом антенной решетки (15) сигнал через согласующее устройство (14) и ППП (13) поступает в приемный тракт AM, состоящий из устройства защиты (16), первого и второго малошумящих усилителей (17 и 19), согласованного фильтра (18) и второго управляемого аттенюатора (20). Далее сигнал через ППП (6) и фазовращатель (5) идет на выход AM. Сигналы с выходов всех AM поступают на PC (3), выполняющую функцию сумматора, а далее полученная сумма через ППП (2) идет на выходное устройство (21). Все приемо-передающие AM модули АФАР прототипа работают на одной несущей частоте сигнала С целью решения поставленной задачи для формирования и приема сигналов РЛС предлагается использовать многочастотные антенные решетки (МЧАР) [6]. Возможность формирования импульсных СШП сигналов с помощью МЧАР описана в [7], возможность фазовой модуляции сигналов МЧАР показана в [8]. На фиг. 1 приведена структурная схема предлагаемого устройства. Для решения поставленной задачи спектр СШП сигнала РЛС с шириной полосы В разбивается на N неперекрывающихся поддиапазонов с полосой частот Вk, k=1…N: Сигнал в каждом поддиапазоне формируется и принимается в отдельном AM (4), излучается и принимается отдельным элементом антенной решетки (15). Несущие частоты поддиапазонов являются взаимнокогерентными (формируются от общего опорного генератора): где Таким образом, в отличие от прототипа возбудитель (1) находится в каждом AM и генерирует сигнал с частотой В каждом поддиапазоне в отличие от прототипа с целью получения сигнала с большой базой и последующего сжатия импульса в приемном тракте, осуществляется угловая модуляция сигнала - частотная (линейная или нелинейная) или фазоимпульсная. Использование сжатия импульсов увеличивает дальность работы РЛС или уменьшает потребляемую ей мощность на заданной дальности [3]. Для этого в передающий тракт каждого AM вводится фазовый модулятор (24), управляемый генератором сигнала фазовой модуляции (манипуляции) Uфм k(t) (25). Все генераторы сигнала фазовой модуляции (манипуляции) синхронизируются опорным генератором модулирующих сигналов (26). При этом с целью уменьшения уровня боковых лепестков в принятом АФАР сигнале угловая модуляция (манипуляция) в поддиапазонах может производиться по различным законам. Фазовращатель (5) перемещен в передающий тракт AM. В приемный тракт введена управляемая линия задержки (28), обеспечивающая получение максимума диаграммы направленности в заданном направлении. В отличие от прототипа устройство (3) работает только как сумматор и перестает выполнять функции распределительной системы, из схемы исключен ППП (2), а принятый АФАР сигнал поступает непосредственно на выходное устройство (21). Так как несущие частоты в поддиапазонах взаимнокогерентны, СШП сигнал формируется из N узкополосных или широкополосных сигналов. В результате, кроме того, что может быть излучен и принят сигнал с полосой частот, превышающей полосу пропускания передающих и приемных усилительных приборов, упрощается задача согласования приемо-передающих трактов и антенных систем. Например, в каждом поддиапазоне могут использоваться антенны с индивидуальными размерами или даже различные типы антенн. При этом с целью получения требуемой амплитудно-частотной характеристики РЛС и заданной мощности на каждой частоте На фиг. 1 представлена структурная схема предлагаемого устройства, на фиг. 2 - структурная схема прототипа. На фиг. 3,а показана нормированная по максимуму огибающая сигнала на выходе одного из согласованных фильтров, рассчитанная в интервале времени ±0,075 мкс для синхронной ЛЧМ во всех поддиапазонах, при следующих параметрах сигнала АФАР: В=2 ГГц; N=21, Т=1 мкс. На фиг. 3,б показана огибающая сигнала на выходе суммирующего устройства для интервалов времени ±0,075 мкс, нормированная по максимуму огибающей на выходе согласованных фильтров. Структурная схема предлагаемого устройства показана на фиг. 1. Устройство содержит приемо-передающие элементы АФАР (15), согласующие устройства (14), активные модули (4), суммирующее устройство (3), выходное устройство (21), опорный генератор (22), распределительную систему опорного сигнала (23), опорный генератор модулирующих сигналов (26), распределительную систему опорного сигнала модулирующих сигналов (27), генератор сигнала импульсной модуляции (11), распределительную систему сигнала импульсной модуляции (12) и активные модули, в состав которых входят возбудитель (1), фазовращатель (5), фазовый модулятор (24), генератор фазовой модуляции (манипуляции) (25), первый и второй предварительные усилители (7) и (9), первый управляемый аттенюатор (8), усилитель мощности (10), переключатель «прием-передача» (13), защитное устройство приемного тракта, первый и второй малошумящие усилители (17) и (19), согласованный фильтр (18), второй управляемый аттенюатор (20), управляемая линия задержки (28) и управляемый фазовращатель (5). Устройство работает следующим образом. Возбудитель (1) каждого активного модуля (2) генерирует сигнал с несущей частотой Сигнал с выхода возбудителя (1) идет на управляемые фазовращатели, которые (5) нужны для того, чтобы управлять диаграммой направленности многочастотной АФАР, и далее на фазовый модулятор (24). Закон, по которому осуществляется модуляция, задается с помощью генератора фазовой модуляции (манипуляции) (25). В результате модуляции полоса сигнала на частоте В результате фазовой модуляции (манипуляции) в каждом канале АФАР создается сигнал с базой ВkТ, где Т - длительность импульса, в течение которого осуществляется фазовая модуляция (манипуляция). Импульс формируется путем модуляции усилителей мощности (10) всех активных модулей, на которые подается модулирующее напряжение Uм(t) через распределительную систему сигнала импульсной модуляции (12) с генератора сигнала импульсной модуляции (11). Сигнал с выхода усилителя мощности через переключатель «прием-передача» (13) и согласующее устройство (14) поступает на приемо-передающий антенный элемент (15). Сигнал, отраженный от объекта локации и принятый антенным элементом (15), проходит через согласующее устройство (14) переключатель «прием-передача» (13) и защитное устройство (16) на вход приемного тракта и усиливается первым малошумящим усилителем (17). Далее сигнал поступает на вход согласованного фильтра (18), который осуществляет сжатие фазомодулированного (фазоманипулированного сигнала), и усиливается вторым малошумящим усилителем (19). Управляемые аттенюаторы (20) позволяют производить весовую обработку принятого сигнала во всей полосе излучаемых частот В. Управляемые линии задержки (28) обеспечивают сканирование диаграммы направленности АФАР в случае, если размер АФАР в плоскости сканирования больше чем с/В, где с - скорость света в свободном пространстве. С выхода всех активных модулей сигналы поступают на суммирующее устройство (3) и далее сумма сигналов идет на выходное устройство (21). Определим огибающую сигнала на выходе суммирующего устройства для случая синхронной ЛЧМ во всех каналах АФАР. При этом полосы свипирования Вk во всех каналах одинаковы, а скорость изменения частоты в каждом поддиапазоне определяется как β=2πВk/Т [рад/с]. Будем считать, что сигнал отражается от точечного источника, амплитуды сигнала А на выходе согласованных фильтров одинаковы, а количество каналов АФАР равно количеству частотных поддиапазонов, то есть Lk=1. Тогда сигнал на выходе согласованного фильтра на циклической частоте С помощью несложных преобразований можно получить [9]: Учитывая, что максимумы сигналов совмещены по времени с помощью линий задержки (28) и сделаны синфазными с помощью фазовращателей (5), определим сигнал на выходе суммирующего устройства где Сумма экспонент в этом выражении может быть вычислена как сумма геометрической прогрессии Таким образом, для рассматриваемого случая сигнал на выходе суммирующего устройства может быть представлен в виде: где Нормированная огибающая сигнала на выходе каждого согласованного фильтра и огибающая сигнала на выходе суммирующего устройства могут быть описаны следующими выражениями, соответственно: На фиг. 3,а показана нормированная по максимуму огибающая сигнала на выходе одного из согласованных фильтров, рассчитанная в интервале времени ±0,075 мкс для синхронной ЛЧМ во всех поддиапазонах, при следующих параметрах сигнала АФАР: В=2 ГГц; N=21, Т=1 мкс. На фиг. 3,б показана огибающая сигнала на выходе суммирующего устройства для интервалов времени ±0,075 мкс, нормированная по максимуму огибающей на выходе согласованных фильтров. Таким образом, амплитуда результирующего импульса, поступающего на выходное устройство, в N раз превосходит амплитуду импульса на выходе согласованного фильтра, а длительность этого импульса, определяющая разрешающую способность предлагаемого устройства, в N раз меньше длительности импульса на выходе согласованного фильтра и обратно пропорциональна рабочей полосе формируемого СШП сигнала В. Литература 1. Головачев М.В., Кочетов А.В., Миронов О.С., Панфилов П.С., Сарычев В.А., Хомяков И.М. Сверхкороткоимпульсная РЛС дециметрового диапазона. // IV Всероссийские Армандовские чтения "Радиофизические методы в дистанционном зондировании сред", Муром, 2014, с. 255-260. 2. Быстров Р.П., Черепенин В.А. Теоретическое обоснование возможностей применения метода генерации мощных наносекундных импульсов электромагнитного излучения при создании радиолокационных систем электронной борьбы (РЭ) для поражения объектов. - Журнал радиоэлектроники (электронный журнал), 2010, №4. с. 9. 3. Справочник по радиолокации. / Под. ред. М.И. Сколника. Пер. с англ. под общей ред. B.C. Вербы. В 2 кн. Кн. 1, гл.8. М.: Техносфера, 2014. 4. Гостюхин В.Л., Трусов В.Н., Гостюхин Ф.В. Активные фазированные антенные решетки / Под ред. В.Л. Гостюхина. Изд. 3-е, перераб. и доп. - М.: Радиотехника, 2011, с. 19. 5. Генераторы и усилители СВЧ. / Под ред. И.В. Лебедева. - М.: «Радиотехника», 2005, с. 123 таблица 3.3., с. 47 таблица 1.9. 6. Воробьев Н.В., Грязнов В.А. Многочастотная антенная решетка для формирования последовательности импульсных сигналов в пространстве: Патент RU 2267838. Приоритет от 27.01.2004. 7. Воробьев И.Н., Воробьев Н.В., Грязнов В.А., Неплюев О.Н. Пространственное формирование сверхширокополосных импульсных сигналов многочастотными антенными решетками со случайным распределением частот сигналов // Конфликтно-устойчивые, радиоэлектронные системы. Вып. 159. 2011, №18, с. 21-26. 8. Воробьев Н.В., Грязнов В.А., Король О.В., Лобанов Б.С., Многочастотная антенная решетка для формирования в пространстве последовательности радиоимпульсов. Патент RU 2456723. Приоритет от 11.04.2011. 9. Гоноровский И.С. Радиотехнические цепи и сигналы: Учебник для вузов. 4-е изд., перераб и доп. - М.: Радио и связь, 1986, с. 98-106.
.

- нижняя несущая частота;
- интервал между несущими частотами, не превышающей максимальной полосы сигнала Вk.
. В связи с этим из схемы исключены ППП (2) и (6). Взаимная когерентность обеспечивается общим для всех AM опорным генератором (22), сигнал с которого поступает на возбудители (1) через PC опорного сигнала (23). При этом полосы частот могут быть одинаковыми Вk=Вk+1 или иметь разную ширину.
могут работать не один, a Lk каналов АФАР.
. Несущие частоты определяются выражением (2). Для обеспечения взаимной когерентности частоты возбудителей формируются от общего опорного генератора (22), сигнал с частотой
поступает на возбудители через распределительную систему опорного сигнала (23).
увеличивается до Bk так, чтобы выполнялось выражение (1), при этом, как указывалось ранее, условие Вk=Вk+1 может не выполняться. Закон модуляции Uфм k может быть одинаковым для всех частот
или индивидуальным для каждой частоты с целью уменьшения боковых лепестков в принятом сигнале, получаемом при совместной обработке сигналов всех каналов РЛС. Генераторы фазовой модуляции (манипуляции) (25) используют опорный сигнал, поступающий с опорного генератора модулирующих сигналов (26) через распределительную систему опорного сигнала модулирующих сигналов (27). ЛЧМ и нелинейную ЧМ в данном случае будем рассматривать как частный случай фазовой модуляции.
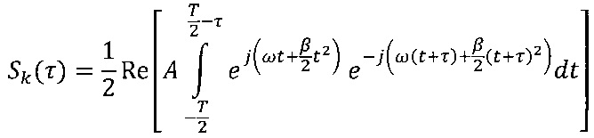
может быть представлен как свертка аналитического сигнала на входе фильтра
и импульсной характеристики фильтра
, где τ - время задержки, а T - длительность излучаемого импульса. Огибающая при расчетах с аналитическими сигналами получается как половина действительной части свертки:


;
.
, где q=е-jΔωτ:

- средняя частота многочастотного сигнала.
