патент
№ RU 2667369
МПК G06T1/00

Способ обработки термовидеоинформации на борту космического аппарата и её отображения на наземной станции

Авторы:
Благодырёв Владимир Александрович Мягков Андрей Павлович Хромов Олег Евгеньевич
Все (4)
Номер заявки
2017133029
Дата подачи заявки
22.09.2017
Опубликовано
19.09.2018
Страна
RU
Как управлять
интеллектуальной собственностью
Чертежи 
2
Реферат

Изобретение относится к вычислительной технике для измерения параметров и характеристик космических аппаратов. Технический результат заключается в оптимизации потоков телеметрической информации. Технический результат достигается за счет того, что для бортовых вычислительных средств задают пороговое значение температуры, получаемое на борту космического аппарата и/или ракеты-носителя, изображение представляют в виде матрицы из i, j зон поля изображения с присвоением каждой зоне идентификатора, для каждой из i, j зон поля изображения определяют откалиброванное среднее значение температуры, сравнивают пороговое значение температуры с откалиброванным средним значением температуры для каждой из i, j зон поля изображения и выявляют аномальные зоны поля изображения с температурой, превышающей заданное пороговое значение, данные о координатах аномальных зон поля изображения и значениях температуры для таких зон передают на наземную станцию, на наземной станции отображают поле изображения с визуальным выделением участков поля изображения с температурой, превышающей заданное пороговое значение, осуществляют необходимые корректирующие воздействия. 2 ил.

Формула изобретения

Способ обработки и отображения термовидеоинформации, полученной на борту космического аппарата и/или ракеты-носителя, предусматривающий

определение значений яркостной температуры поля изображения, связанной с термодинамической шкалой истинного значения температуры, и отображение поля изображения наземными компьютерными средствами, отличающийся тем что

для бортовых вычислительных средств задают пороговое значение температуры,

получаемое на борту космического аппарата и/или ракеты-носителя изображение представляют в виде матрицы из i, j зон поля изображения с присвоением каждой зоне идентификатора,

для каждой из i, j зон поля изображения при помощи бортовых вычислительных средств определяют откалиброванное среднее значение температуры,

сравнивают пороговое значение температуры с откалиброванным средним значением температуры для каждой из i, j зон поля изображения и

выявляют аномальные зоны поля изображения с температурой, превышающей заданное пороговое значение,

данные о координатах аномальных зон поля изображения и значениях температуры для таких зон передают на наземную станцию как один из параметров телеметрической системы,

на наземной станции отображают поле изображения, разбитое на целое число i, j зон, с визуальным выделением участков поля изображения с температурой, превышающей заданное пороговое значение,

осуществляют контроль термообстановки на борту космического аппарата или ракеты-носителя и осуществляют необходимые корректирующие воздействия.

Описание

[1]

Предлагаемое изобретение относится к области космической техники, а именно к средствам измерения параметров и характеристик космических аппаратов и ракет-носителей посредством телеметрических систем.

[2]

Известен способ обработки и отображения термовидеоинформации, полученной на борту космического аппарата и/или ракеты-носителя, предусматривающий определение значений яркостной температуры поля изображения, связанной с термодинамической шкалой истинного значения температуры, и отображение поля изображения наземными компьютерными средствами (См. Климов Д.И., Благодырёв В.А., «Использование инфракрасного и ультрафиолетового диапазонов в видеотелеметрии для отслеживания температурных параметров КА и РН», Успехи современной радиоэлектроники, №12, 2012, стр. 22-26). В свою очередь, предложенный способ обработки и отображения термовидеонинформации с борта космического аппарата и/или ракеты-носителя представляет собой дальнейшее развитие описанного выше способа и является результатом поиска совокупности технологических решений, которые позволят оптимизировать информационные потоки телеметрической информации по линии «борт – Земля» и выбор компьютерных средств обработки информации на наземных станциях.

[3]

Для решения указанной выше технической проблемы в известном способе обработки и отображения термовидеоинформации, полученной на борту космического аппарата и/или ракеты-носителя, предусматривающим определение значений яркостной температуры поля изображения, связанной с термодинамической шкалой истинного значения температуры, и отображение поля изображения наземными компьютерными средствами, предложено выполнить обработку термовидеоизображения на борту, с последующим отображением на наземной станции. В соответствии с предложенным способом обработки и отображения термовидеоинформации, получаемое на борту космического аппарата и/или ракеты-носителя изображение представляют в виде матрицы из i,j двумерных зон поля изображения с присвоением каждой зоне идентификатора. Определяют на борту значение яркостной температуры в i,j-ой зоне поля изображения, связанной с термодинамической шкалой истинного значения температуры, и локализуют участки поля изображения с температурой, превышающей заданное пороговое значение. Данные об указанных аномальных участках поля изображения передают на наземную станцию для отображения компьютерными средствами изображения, разбитого на целое число i,j-зон поля изображения с визуальным выделением участков поля изображения с температурой, превышающей заданное пороговое значение.

[4]

Обработка и отображение термовидеоинформации согласно предложенному способу осуществляется следующим образом.

[5]

Информация об интегральном значении яркости в ij-ой зоне k-го кадра Yijk поступает на суммирующее по числу кадров устройство

[6]

(1)

[7]

и далее усредняется по общему числу кадров за секунду L

[8]

(2)

[9]

В результате, получаем усреднённое по общему числу кадров в секунду значение яркости в рассматриваемой зоне Yij. Известно, что исходя из физического смысла яркости, она численно равна интенсивности света I. Следовательно для i,j-ой зоны, Yij = Iij.

[10]

Применимо к яркостному (спектральному) пирометру последовательность обработки термовидеоинформации основана на планковском распределении в диапазоне длин волн, а именно

[11]

(3)

[12]

где Дж/К – постоянная Больцмана, Дж×с – постоянная Планка, м/с – скорость света, Т – яркостная
температура (К), λ – длина волны (м), ελ – интегральный коэффициент теплового излучения.

[13]

Из (3) выразим яркостную температуру

[14]

(4)

[15]

(5)

[16]

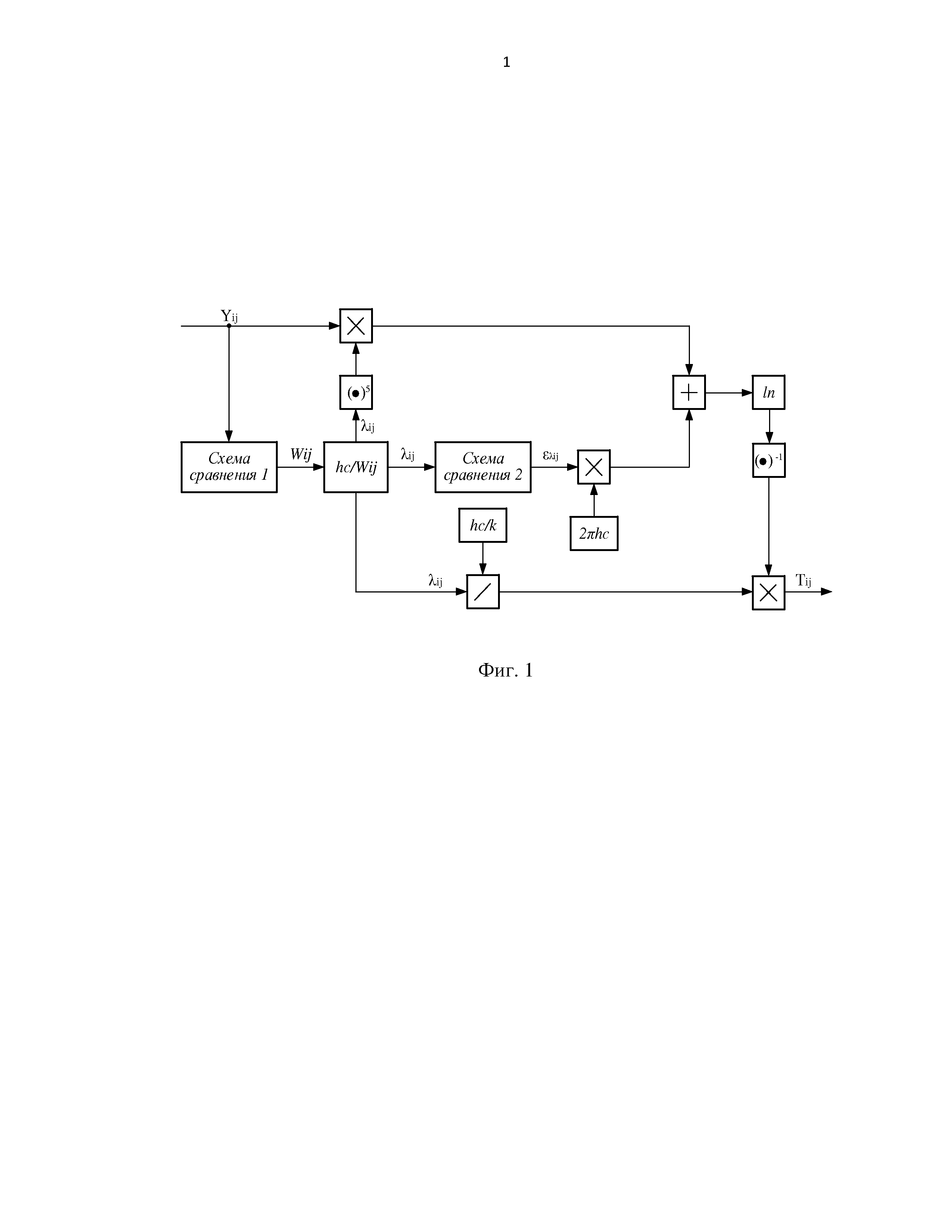
Структурная схема решающего устройства и матрицы энергий световых излучений для осуществления предложенного способа обработки информации приведена на фиг. 1. Решающее устройство включает две схемы сравнения – 1-ю и 2-ю, относящиеся к текущему значению яркости Yij в рассматриваемой зоне поля изображения, по которому выдаётся соответствующее значение энергии светового излучения Wij (таблицы 8.27, 8.28, «Таблицы физических величин», ред. Акад. И.К. Кикоин, Москва, Атомиздат, 1976), по которой, в соответствии с законом Планка, вычисляется длина волны

[17]

, (6)

[18]

а также значения интегрального коэффициента излучения для заданного типа металла (или графита) при соответствующем значении (там же).

[19]

Спектральный пирометр калибруется по излучению (на той же длине волны) абсолютно черного тела в градусах яркостной температуры Tij, связанной с термодинамической шкалой соотношением

[20]

, (7)

[21]

где Тист_ij – истинное (откалиброванное) среднее значение температуры в контролируемой зоне поля изображения,

[22]

(8)

[23]

Отображение термовидеоинформации при её обработке и вычислении температуры по соотношению (5) на борту космических аппаратов и ракет-носителей будет осуществлено посредством использования процессоров, запрограммированных на алгоритм обработки информации согласно соотношениям (5), (8), а также алгоритма локализации отдельных участков (зон) поля изображения объекта с температурой, превышающей допустимую. Допустимый порог температуры либо вводится оператором при непосредственном отслеживании термообстановки объекта или однократно программируется при разработке программы функционирования процессора. Информация о температуре и координатах участков передается, как один из параметров телеметрической системы. Пороговое значение температуры и дискреты зоны обзора задаются при программировании бортового процессора на Земле. Информация об аномальных температурных зонах передаётся по каналу «борт – Земля» в автоматическом режиме и не требует передачи командной информации по радиолинии на борт космического аппарата или ракеты-носителя.

[24]

На компьютере наземной станции отображается фото полей изображения объекта от видеорегистрирующих систем, которое разбивается на целое число контролируемых зон, каждая из которых имеет свой идентификатор (номер), который задаётся программным способом на борту космического аппарата или ракеты-носителя. Принцип визуального отображения видеоинформации о термообстановке на борту (разбиения поля изображения на контролируемые зоны и порядок из нумерации) представлен на фиг. 2. В случае превышения заданного программным способом на борту космического аппарата или ракеты-носителя порогового значения температуры Тпор в контролируемой зоне поля изображения с заданным номером, указанная зона подсвечивается красным или иным цветом. Соответствующий компьютерный интерфейс включает в таком случае: опцию выбора зоны обзора с соответствующим обозначением; опцию изменения размера зон обзора; опцию выбора окна введения порогового значения температуры, если оно не было запрограммировано для процессора обработки заранее; опцию выбора окна выдачи информации о наиболее термонагруженных областях (зонах), в котором отображаются номер зоны обзора, величина превышения порогового значения температуры, текущее время регистрации системой соответствующей видеоинформации. В результате при наземной обработке оператор получает информацию о номере зоны обзора, координатах наиболее термонагруженных областей, относящихся к данной зоне обзора и уровень превышения допустимого температурного порога.

[25]

Информационный поток, передаваемый по каналу «борт – Земля», можно оценить следующим образом.

[26]

Исходный информационный поток (J0) определяется соотношением

[27]

, (9)

[28]

где m×n – разрешение фоторегистрирующего прибора (m – количество строк и n – столбцов пикселей) М – разрядность аналого-цифрового преобразователя.

[29]

Так как наблюдение термообстановки не требует детального (пиксельного) рассмотрения, разобьём поле изображения на контролируемые зоны в пределах 5×5 ≤ S ≤ 20×20 пикселей, что позволит существенно сократить информационный поток. При этом получение информации о температурах отдельных зон изображения объекта не ограничится несколькими точками, целостность картины термообстановки сохранится, и по-прежнему будет вестись областное наблюдение за температурой объекта.

[30]

Пусть площадь контролируемой зоны поля изображения S = a×a (a – сторона зоны в пикселях), тогда новый информационный поток будет

[31]

(10)

[32]

Максимальное число контролируемых зон поля изображения объекта

[33]

(11)

[34]

Точная площадь контролируемой зоны поля изображения и число актуальных зон K (наиболее подверженным изменениям температуры) определяется в техническом задании на изделие. Пусть число актуальных зон определяется соотношением (11) и составляет от 5 % до 30 % общей площади изображения, тогда представим (10) как

[35]

(12)

[36]

Кроме того, требуется передать информацию о номере зоны, уровне превышения порогового значения Tпор этой зоны. Учитывая число K актуальных зон, температуру будем передавать кратным числом (Q) значения точности измерения температуры, так как сама точность измерения ΔТ известна заранее, т.е.:

[37]

Q = T/ ΔТ (13)

[38]

При этом (14)

[39]

Для оценки информационного потока J1 – K, Q нужно представить в двоичном коде ((K)2 и (Q)2,). В этом случае:

[40]

, (15)

[41]

где – общее число разрядов для К, Q.

[42]

Таким образом, предложенный способ обработки и отображения термовидеоинформации позволяет существенно сократить информационный поток, предназначенный для видеоинформации (до нескольких кбит/с), так как отсутствует необходимость передачи видеоизображения с борта (на наземном компьютере имеется видеоизображение, на котором отображаются зоны с превышением температуры). К компьютеру (входящему в наземный комплекс обработки информации по термовидеотелеметрии) в данном случае не предъявляются высокие системные требования.

Как компенсировать расходы
на инновационную разработку
Похожие патенты