Изобретение относится к области электротехники и может быть использовано при построении трехфазных инверторов напряжения (ТИН) централизованного типа для питания трехфазной и однофазной нагрузок. Техническим результатом является повышение КПД. В способе управления трехфазным инвертором напряжения по мостовой схеме, содержащим четыре стойки ключей, включенных между положительной и отрицательной шинами его питания, заключающемся в формировании сигнала развертки треугольной формы up(t) с максимальным значением Upm и частотой ƒр, трех последовательно сдвинутых между собой по фазе на угол 2π/3 задающих сигналов синусоидальной формы uзj(t)=Uзmsin[ωt-(j-1)2π/3] с амплитудой Uзm и частотой F=ω/2π, где j=А, В, С - фазовый индекс, при выполнении условия F<<ƒp, путем логического сравнения сигналов up(t) и uзj(t) и формирования на этой основе сигналов с широтно-импульсной модуляцией (ШИМ) управляющими ключами трех стоек, а также формирования сигнала u4(t) управляющими ключами 4-й стойки, при формировании сигнала u4(t) задают условие Uзm>Upm, формируют три квазитрапецеидальных сигнала uктзj(t) ограничением трех задающих сигналов uзj(t) на уровне равенства их текущих значений максимальному значению сигнала развертки Uктзj(max)=Upm, суммируют три полученных сигнала -
, умножают суммарный сигнал на коэффициент 1/3 и на основе логического сравнения полученного сигнала (1/3)⋅uктз Σ(t) с сигналом развертки up(t) формируют прямой и инверсный сигналы с широтно-импульсной модуляцией управления ключами четвертой стойки. Управление ключами 7, 8 дополнительной стойки осуществляют по способу ШИМ, формируют три последовательно сдвинутых между собой по фазе на угол 2π/3 задающих сигнала 25, 26, 27 синусоидальной формы uзj(t)=Uзmsin[ωt-(j-1)2π/3] с амплитудой Uзm и частотой F=ω/2π, где j=А, В, С - фазовый индекс. 3 ил.
Способ управления трехфазным инвертором напряжения по мостовой схеме, содержащим четыре стойки ключей, включенных между положительной и отрицательной шинами его питания, заключающийся в формировании сигнала развертки треугольной формы up(t) с максимальным значением Upm и частотой fр, трех последовательно сдвинутых между собой по фазе на угол 2π/3 задающих сигналов синусоидальной формы uзj(t)=Uзmsin[ωt-(j-1)2π/3] с амплитудой Uзm и частотой F=ω/2π, где j=А, В, С - фазовый индекс, при выполнении условия F<<fp, путем логического сравнения сигналов up(t) и uзj(t) и формирования на этой основе сигналов с широтно-импульсной модуляцией (ШИМ) управляющими ключами трех стоек, а также формирования сигнала u4(t) управляющими ключами 4-й стойки, отличающийся тем, что при формировании сигнала u4(t) задают условие Uзm>Upm, формируют три квазитрапецеидальных сигнала uктзj(t) ограничением трех задающих сигналов uзj(t) на уровне равенства их текущих значений максимальному значению сигнала развертки Uктзj(max)=Upm, суммируют три полученных сигнала -
, умножают суммарный сигнал на коэффициент 1/3 и на основе логического сравнения полученного сигнала (1/3)⋅uктзΣ(t) с сигналом развертки up(t) формируют прямой и инверсный сигналы с широтно-импульсной модуляцией управления ключами четвертой стойки.
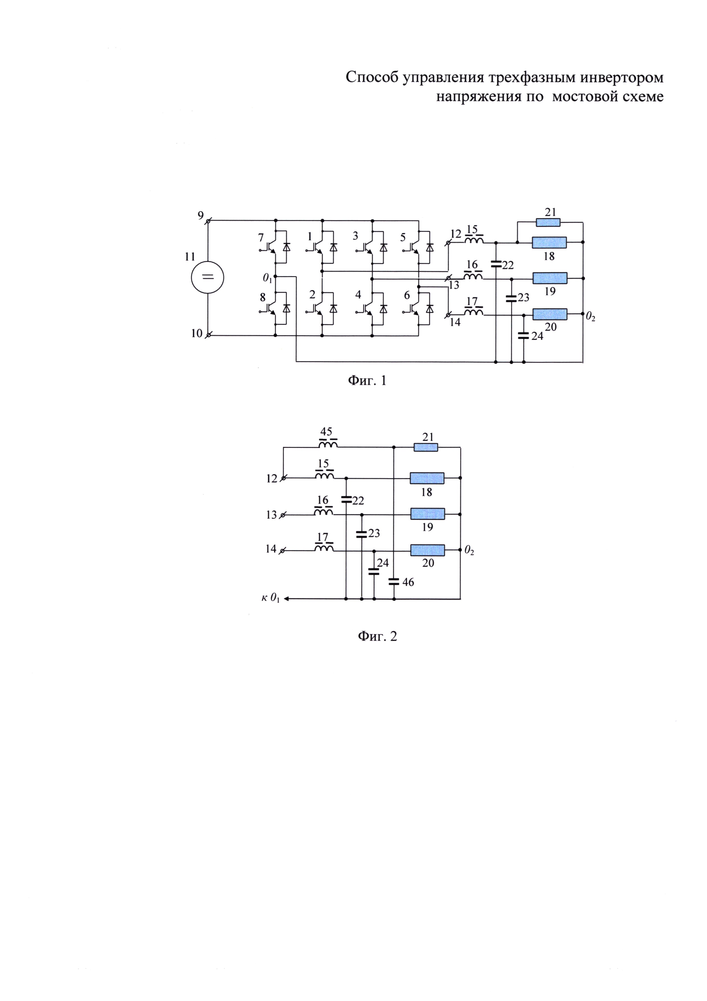
Изобретение относится к области силовой преобразовательной техники и может быть использовано при построении трехфазных инверторов напряжения (ТИН) централизованного типа для питания трехфазной и однофазной нагрузок. Известны ТИН по трехфазной мостовой схеме, нечувствительные к несимметрии трехфазной нагрузки, которые выполнены в виде 4-х стоек полностью управляемых ключей (на базе транзисторов, зашунтированных обратными диодами), включенных между шинами питания источника постоянного напряжения (см. рис. 9.11а, б на стр. 333 в кн. Моин B.C. Стабилизированные транзисторные преобразователи - М.: Энергоатомиздат, 1986. - 376 с.). Каждая из трех основных стоек ключей содержит два последовательно соединенных ключа, точка соединения которых образует один из трех выходных выводов ТИН. Три основные стойки ключей образуют традиционную схему трехфазного инвертора, который при управлении его ключами с использованием способа широтно-импульсной модуляцией (ШИМ) на своем выходе формирует трехфазное напряжение с ШИМ. Четвертая дополнительная стойка ключей, обеспечивает нечувствительность ТИН к несимметрии трехфазной нагрузки (выполненной, например, в виде симметричной трехфазной и однофазной нагрузок). Ключами этой стойки управляют так чтобы исключить в нагрузке гармоники нулевой последовательности (ГНП). Недостатком этого решения является его сложность, которая определяется наличием автотрансформатора, а также требованием наличия средней точки источника питания. Наиболее близким по технической сущности к изобретению является трехфазный инвертор напряжения (см. рис. 1б на стр. 38 и стр. 37 в статье: Чаплыгин Е.Е., Вилков А.Е., Хухтиков С.В. Широтно-импульсная модуляция с пассивной фазой в инверторах напряжения с дополнительным полумостом. Журнал «Электричество», №8, 2012), содержащий три основных и одну дополнительную стойки ключей, которые включены между положительной и отрицательной шинами его питания. При этом управление ключами трех основных стоек заключающийся в формировании сигнала развертки треугольной формы up(t) с максимальным его значением Upm и частотой ƒр, а также трех последовательно сдвинутых между собой по фазе на угол 2π/3 задающих сигналов синусоидальной формы uзj(t)=Uзmsin[(ωt-(j-1)2π/3] с амплитудой Uзm и частотой F=ω/2π, где j=А, В, С - фазовый индекс, причем выполняют условие F<<ƒp; затем на этой основе путем логического сравнения сигналов up(t) и uзj(t) формируются сигналы с широтно-импульсной модуляцией (ШИМ) для управления ключами трех стоек ТИН (то есть ими управляют на основе способа двухполярной широтно-импульсной модуляции по синусоидальному закону). Для управления двумя ключами четвертой стойки «усредненный потенциал средней точки ключей дополнительной стойки поддерживают равным Еп/2 за счет формирования с помощью ключей дополнительной стойки ШИМ - последовательности с коэффициентом модуляции, равным нулю». Недостаток такого решения заключается в том, что однофазную нагрузку подключают параллельно одной из фаз симметричной трехфазной нагрузки. При этом различная токовая загрузка дросселей переменного тока фильтра вызывает некоторую амплитудную и фазовую несимметрию в связи с использованием общего трехфазного Г образного L1C1 фильтра одновременно для трехфазной и однофазной нагрузок, что ухудшает качество выходного напряжения при симметрии трехфазной нагрузки Техническая задача изобретения заключается в улучшении качества выходного напряжения при несимметрии трехфазной нагрузки. Техническим результатом изобретения является повышение КПД и улучшение спектрального состава выходного напряжения инвертора, уменьшение чувствительности трехфазного инвертора напряжения к несимметрии трехфазной нагрузки. Это достигается тем, что в известном способе управления трехфазным инвертором напряжения по мостовой схеме, содержащим четыре стойки ключей, включенных между положительной и отрицательной шинами его питания, заключающемся в формировании сигнала развертки треугольной формы up(t) с максимальным значением Upm и частотой ƒр, трех последовательно сдвинутых между собой по фазе на угол 2π/3 задающих сигналов синусоидальной формы uзj(t)=Uзmsin[ωt-(j-1)2π/3] с амплитудой Uзm и частотой F=ω/2π, где j=А, В, С - фазовый индекс, при выполнении условия F<<ƒp, путем логического сравнения сигналов up(t) и uзj(t) и формирования на этой основе сигналов с широтно-импульсной модуляцией (ШИМ) управляющими ключами трех стоек, а также формирования сигнала u4(t) управляющими ключами 4-й стойки, при формировании сигнала u4(t) задают условие Uзm>Upm, формируют три квазитрапецеидальных сигнала uктзj(t) ограничением трех задающих сигналов uзj(t) на уровне равенства их текущих значений максимальному значению сигнала развертки Uктзj(max)=Upm, суммируют три полученных сигнала - Сущность изобретения поясняется чертежами, где на фиг. 1 представлена принципиальная электрическая схема силовой части трехфазного инвертора напряжения, реализующая способ управления трехфазным инвертором напряжения по мостовой схеме, на фиг. 2 показана схема, где для однофазной нагрузки использован индивидуальный Г образный L2С2 фильтр, на фиг. 3 приведены осциллограммы, поясняющие процесс формирования алгоритмов управления ключами 4-й стойки. Электрическая схема силовой части трехфазного инвертора напряжения (ТИН) содержит транзисторные ключи 1÷8, которые соединены попарно последовательно - 1, 2; 3, 4; 5, 6; 7, 8, образуя 4 стойки ключей, включенные между шинами питания 9, 10, источник напряжения 11. Три его основные стойки, образованные ключами 1÷6, представляют собой традиционную схему трехфазного инверторного моста с выходными выводами 12, 13, 14, к которым через три дросселя переменного тока 15, 16, 17 подключена трехфазная симметричная нагрузка в виде сопротивлений 18, 19, 20. Однофазная нагрузка 21 может быть подключена к одному из выходных выводов трехфазного общего Г образного L1C1 фильтра, образованного дросселями 15, 16, 17 и конденсаторами 22, 23, 24. Точка соединения ключей 7, 8 четвертой дополнительной стойки 01 соединена с нулевой точкой нагрузок 02 и нулевой точкой «звезды» конденсатов 22÷24. Управление ключами 7, 8 дополнительной стойки осуществляют по способу ШИМ формируют три последовательно сдвинутых между собой по фазе на угол 2π/3 задающих сигнала 25, 26, 27 синусоидальной формы uзj(t)=Uзmsin[ωt-(j-1)2π/3] с амплитудой Uзm и частотой F=ω/2π, где j=А, В, С - фазовый индекс. Затем с помощью ограничителей ограничивают эти три задающих сигнала на заданном уровне (равном Upm). В результате получают три сигнала 28, 29, 30 квазитрапецеидальной формы частоты F. Далее эти три сигнала 28÷30 суммируют - Сигналы для управления ключами 1÷6 трех основных стоек ТИН производят известным путем на основе логического сравнения сигнала развертки up(f) - 33 с каждым из трех задающих сигналов uктзj(t) - 28÷30 и формирования на этой основе сигналов управления с ШИМ по квазитрапецеидальному закону (а не по синусоидальному). В приведенном здесь примере для снижения числа переключения ключей 1÷6 основных трех стоек и повышения КПД ТИН за счет снижения динамических потерь глубина основной модуляции - μ0=Uзm/Upm=2,5. На фиг. 2 для этого режима представлены осциллограммы трех фазных напряжения до фильтра - 36, 37, 38 и после фильтра - 39, 40, 41, а также фазные токи 42, 43, 44 активно-индуктивной нагрузки. Осциллограммы представлены для случая, когда для однофазной нагрузки использован индивидуальный Г образный L2C2 фильтр (с элементами 45, 46). Несмотря на то, что несимметрия трехфазной нагрузки достаточно большая - 15% (т.е. доля тока однофазной нагрузки относительно тока нагрузки одной фазы трехфазной нагрузки), никакой несимметрии в выходных напряжениях ТИН не наблюдается. Использование изобретения позволяет улучшить качество выходного напряжения при несимметрии трехфазной нагрузки, при этом повысить КПД и улучшить спектральный состав выходного напряжения инвертора, уменьшить чувствительность.
, умножают суммарный сигнал на коэффициент 1/3 и на основе логического сравнения полученного сигнала (1/3)⋅uктзΣ(t) с сигналом развертки up(t) формируют прямой и инверсный сигналы с широтно-импульсной модуляцией управления ключами четвертой стойки.
и получают сигнал uкmзΣ(t) - 31 квазитрапецеидальной формы частоты 3F (но с другой степенью трапецеидальности относительно сигналов 28÷30) и после умножения его на коэффициент 1/3 получают сигнал (1/3)⋅uктзΣ(t) - 32. Затем формируют сигнал развертки треугольной формы up(t) - 33 с максимальным значением Uзm>Upm и частотой ƒр, причем выполняют условие F<<ƒp, производят операцию логического сравнения сигналов 32, 33 и на этой основе формируют прямой и инверсный сигналы 34, 35 с широтно-импульсной модуляцией (ШИМ) для управления ключами 7, 8 четвертой стойки. Как видно из осциллограмм, глубина дополнительной модуляции - μд управляющих сигналов 34, 35, определяемая отношением максимальных значений сравниваемых сигналов 32, 33, не равна нулю - μд=U32max/U33mах=1/3=0,333 (в отличие, например, от способа, описанного в статье: Чаплыгин Е.Е., Вилков А.Е., Хухтиков С.В. Широтно-импульсная модуляция с пассивной фазой в инверторах напряжения с дополнительным полумостом. Журнал «Электричество», №8, 2012, где указано, что коэффициент модуляции должен быть равен 0).