Изобретение относится к области радиотехники. Технический результат заключается в повышении мощности передаваемого сигнала при одновременном уменьшении габаритных размеров. Фильтр гармоник коротковолнового передатчика содержит в средней своей части N средних катушек индуктивности, первый и второй конденсатор переменной емкости, N входных Г-образных звеньев, содержащих в продольном плече входную катушку индуктивности, N выходных Г-образных звеньев, содержащих в продольном плече выходную катушку индуктивности, при этом каждое входное Г-образное звено содержит на выходе в поперечном плече первый конденсатор постоянной емкости, а каждое выходное Г-образное звено содержит на входе в поперечном плече второй конденсатор постоянной емкости, каждая средняя катушка индуктивности и связанные с ней индуктивной связью входная и выходная катушки индуктивности соответствующих входного и выходного Г-образных звеньев выполнены в виде трех соосно расположенных на определенном расстоянии друг от друга цилиндрических обмоток, соединенных между собой, при этом направление намотки средней катушки индуктивности противоположно направлению намотки входной и выходной катушек индуктивности соответствующих входного и выходного Г-образных звеньев. 2 з.п. ф-лы, 1 ил.
1. Фильтр гармоник коротковолнового передатчика, содержащий в средней своей части N средних катушек индуктивности, где N - число частотных поддиапазонов, первый конденсатор переменной емкости, подключаемый к первому выводу каждой средней катушки индуктивности при помощи одного из N первых переключателей, и второй конденсатор переменной емкости, подключаемый ко второму выводу каждой средней катушки индуктивности при помощи одного из N вторых переключателей, а также N входных Г-образных звеньев, каждое из которых содержит в продольном плече входную катушку индуктивности, соединенную с первым выводом соответствующей средней катушки индуктивности и связанную с ней индуктивной связью, и N выходных Г-образных звеньев, каждое из которых содержит в продольном плече выходную катушку индуктивности, соединенную со вторым выводом соответствующей средней катушки индуктивности и связанную с ней индуктивной связью, при этом вход каждого входного Г-образного звена подключен к входному разъему фильтра гармоник через соответствующий входной переключатель, а выход каждого выходного Г-образного звена подключен к выходному разъему фильтра гармоник через соответствующий выходной переключатель, причем первый и второй конденсаторы переменной емкости выполнены в виде набора конденсаторов, переключаемых при помощи устройства управления, отличающийся тем, что каждое входное Г-образное звено содержит на выходе в поперечном плече первый конденсатор постоянной емкости, а каждое выходное Г-образное звено содержит на входе в поперечном плече второй конденсатор постоянной емкости. 2. Фильтр гармоник коротковолнового передатчика по п. 1, отличающийся тем, что каждая средняя катушка индуктивности и связанные с ней индуктивной связью входная и выходная катушки индуктивности соответствующих входного и выходного Г-образных звеньев выполнены в виде трех соосно расположенных на определенном расстоянии друг от друга цилиндрических обмоток, соединенных между собой, при этом направление намотки средней катушки индуктивности противоположно направлению намотки входной и выходной катушек индуктивности соответствующих входного и выходного Г-образных звеньев. 3. Фильтр гармоник коротковолнового передатчика по п. 1, отличающийся тем, что он выполнен симметричным, при этом в каждом поддиапазоне частот отношение частоты полюса затухания к частоте настройки равно где Li - индуктивность входной и выходной катушки индуктивности соответствующих входного и выходного Г-образных звеньев; Mi - взаимоиндуктивность между средней катушкой индуктивности и входной, а также выходной катушками индуктивности соответствующих входного и выходного Г-образных звеньев; i - порядковый номер частотного поддиапазона, причем величина Кп при перестройке фильтра гармоник не изменяется.
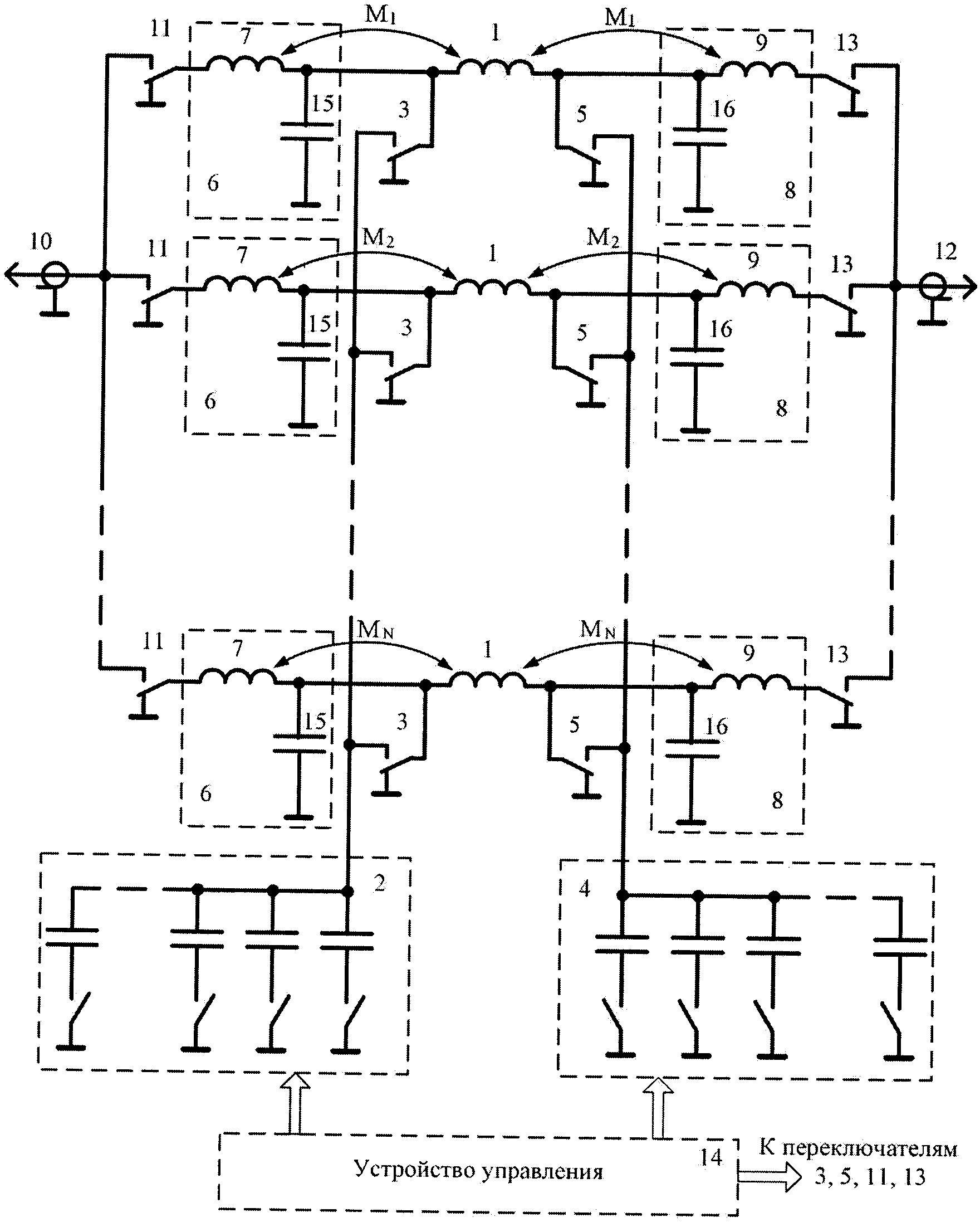
Изобретение относится к области радиотехники и может быть использовано в фильтрах гармоник усилителей мощности широкодиапазонных радиопередатчиков. Для передачи высокочастотных сигналов с подавленными до требуемого уровня гармоническими составляющими в фильтрах гармоник коротковолновых передатчиков обычно применяются фильтры нижних частот (ФНЧ) [1]. Исходя из требований к фильтрации высших гармоник, начиная со второй, фильтры проектируются на заданное значение затухания в полосе задерживания. При этом коэффициент перекрытия поддиапазонов по частоте выбирают обычно в пределах 1,4…1,8, то есть для коротковолнового передатчика, перекрывающего диапазон частот 1,5…30 МГц, потребуется от девяти до пяти фильтров соответственно, причем чем меньше количество фильтров, тем сложнее их структура. Поддиапазонные фильтры переключаются, как правило, при помощи реле, включенных на входе и выходе каждого фильтра. Главными недостатками фильтров гармоник на основе переключаемых ФНЧ являются сложность в настройке, а также необходимость высокой точности изготовления катушек индуктивности и применения конденсаторов с малыми отклонениями емкости от номинальных значений, то есть более дорогих. В противном случае не удается обеспечить необходимый уровень согласования фильтра гармоник, так как коэффициент бегущей волны (КБВ) на входе фильтра гармоник наиболее чувствителен к точности его настройки. Кроме того фильтры гармоник на основе переключаемых ФНЧ имеют, как правило, большие габаритные размеры и массу прежде всего из-за большого количества катушек индуктивности. Данная проблема обостряется с ростом мощности передаваемого сигнала, так как размеры катушек индуктивности при этом также увеличиваются. Более рационально проблему согласования фильтра гармоник и уменьшения его габаритных размеров можно решить, взяв за основу не ФНЧ, а полосовые перестраиваемые фильтры, и обеспечивать согласование только на частоте передаваемого сигнала. Такое устройство, представленное в [2], выбрано в качестве прототипа как наиболее близкое по технической сущности к заявляемому. Анализ прототипа показал, что он, несмотря на уменьшение числа частотных поддиапазонов до трех в диапазоне частот от 1,5 до 30 МГц, не обеспечивает достаточного уменьшения габаритных размеров, так как в каждом поддиапазоне применяются пять катушек индуктивности. Кроме того, как показали расчеты, при настройке фильтра гармоник на нижнюю частоту каждого частотного поддиапазона значительно возрастает величина тока, протекающего через конденсаторы, а значит и через контакты соответствующих переключателей, включающих эти конденсаторы в работу. Все вышесказанное означает, что прототип имеет ограничения как по мощности передаваемого сигнала, так и в части габаритных размеров при ее увеличении. Кроме того, в случае применения соответствующих повышенной мощности сигнала вакуумных реле и конденсаторов, значительно возрастет и стоимость фильтра гармоник. Задача изобретения - расширение эксплуатационных возможностей фильтра гармоник в части повышения мощности передаваемого сигнала при одновременном уменьшении габаритных размеров и упрощении устройства. Указанная задача решается тем, что в фильтр гармоник коротковолнового передатчика, содержащий в средней своей части N средних катушек индуктивности, где N - число частотных поддиапазонов, первый конденсатор переменной емкости, подключаемый к первому выводу каждой средней катушки индуктивности при помощи одного из N первых переключателей, и второй конденсатор переменной емкости, подключаемый к второму выводу каждой средней катушки индуктивности при помощи одного из N вторых переключателей, а также N входных Г-образных звеньев, каждое из которых содержит в продольном плече входную катушку индуктивности, соединенную с первым выводом соответствующей средней катушки индуктивности и связанную с ней индуктивной связью, и N выходных Г-образных звеньев, каждое из которых содержит в продольном плече выходную катушку индуктивности, соединенную со вторым выводом соответствующей средней катушки индуктивности и связанную с ней индуктивной связью, при этом вход каждого входного Г-образного звена подключен к входному разъему фильтра гармоник через соответствующий входной переключатель, а выход каждого выходного Г-образного звена подключен к выходному разъему фильтра гармоник через соответствующий выходной переключатель, причем первый и второй конденсаторы переменной емкости выполнены в виде набора конденсаторов, переключаемых при помощи устройства управления, каждое входное Г-образное звено содержит на выходе в поперечном плече первый конденсатор постоянной емкости, а каждое выходное Г-образное звено содержит на входе в поперечном плече второй конденсатор постоянной емкости, при этом каждая средняя катушка индуктивности и связанные с ней индуктивной связью соответствующие катушки индуктивности входного и выходного Г-образных звеньев выполнены в виде трех соосно расположенных на определенном расстоянии друг от друга цилиндрических обмоток, соединенных между собой, при этом направление намотки средней катушки индуктивности противоположно направлению намотки катушек индуктивности входного и выходного Г-образных звеньев. На фигуре приведена схема заявленного устройства в исходном состоянии. Фильтр гармоник коротковолнового передатчика содержит в средней своей части N средних катушек индуктивности 1, где N - число частотных поддиапазонов, первый конденсатор 2 переменной емкости, подключаемый к первому выводу каждой средней катушки индуктивности 1 при помощи одного из N первых переключателей 3, и второй конденсатор 4 переменной емкости, подключаемый к второму выводу каждой средней катушки индуктивности 1 при помощи одного из N вторых переключателей 5, а также N входных Г-образных звеньев 6, каждое из которых содержит в продольном плече входную катушку индуктивности 7, соединенную с первым выводом соответствующей средней катушки индуктивности 1 и связанную с ней индуктивной связью с взаимоиндуктивностью Mi [3], где i=1, 2, 3, …N - порядковый номер частотного поддиапазона, и N выходных Г-образных звеньев 8, каждое из которых содержит в продольном плече выходную катушку индуктивности 9, соединенную со вторым выводом соответствующей средней катушки индуктивности 1 и связанную с ней индуктивной связью с взаимоиндуктивностью, также равной Mi. Вход каждого входного Г-образного звена 6 подключен к входному разъему 10 фильтра гармоник через соответствующий входной переключатель 11, а выход каждого выходного Г-образного звена 8 подключен к выходному разъему 12 фильтра гармоник через соответствующий выходной переключатель 13. Первый 2 и второй 4 конденсаторы переменной емкости выполнены в виде набора конденсаторов, переключаемых при помощи устройства управления 14. Каждое входное Г-образное звено 6 содержит на выходе в поперечном плече первый конденсатор 15 постоянной емкости, а каждое выходное Г-образное звено 8 содержит на входе в поперечном плече второй конденсатор 16 постоянной емкости. Каждая средняя катушка индуктивности 1 и связанные с ней индуктивной связью входная 7 и выходная 9 катушки индуктивности соответствующих входного 6 и выходного 8 Г-образных звеньев выполнены в виде трех соосно расположенных на определенном расстоянии друг от друга цилиндрических обмоток, соединенных между собой, при этом направление намотки средней катушки индуктивности 1 противоположно направлению намотки входной 7 и выходной 9 катушек индуктивности соответствующего входного 6 выходного 8 Г-образных звеньев. При симметричной схеме фильтра гармоник индуктивности катушек индуктивности 7 и 9 равны между собой и равны Li, а индуктивность соответствующей средней катушки индуктивности 1 равна 2Li, при этом обе взаимоиндуктивности также равны между собой и равны Mi, где i=1, 2, 3, …N - порядковый номер частотного поддиапазона. Фильтр гармоник представляет собой набор из N перестраиваемых ФНЧ. Каждый фильтр перестраивается в соответствующем ему i-ом поддиапазоне частот при помощи первого 2 и второго 4 конденсаторов переменной емкости, с емкостью каждого из которых суммируется емкость соответствующего первого 15 и второго 16 конденсаторов постоянной емкости. В результате, каждая такая суммарная емкость равна С. Частота настройки фильтра гармоник определяется следующим выражением: при этом частота полюса затухания равна Отношение частоты полюса затухания (2) к частоте настройки (1) фильтра гармоник равно причем величина Кп при перестройке не изменяется. Фильтр гармоник коротковолнового передатчика работает следующим образом. Выходной сигнал усилителя мощности передатчика, содержащий гармонические составляющие сигнала, поступает на вход 10 фильтра гармоник, предварительно включенного и настроенного на частоту сигнала. Частота основного сигнала находится в полосе частот одного из поддиапазонов, поэтому при помощи устройства управления 14 включены соответствующие включенному поддиапазону входной 11 и выходной 13 переключатели, а первый 2 и второй 4 конденсаторы переменной емкости подключены к соответствующей средней катушке индуктивности 1 через соответствующие первый 3 и второй 5 переключатели. На конденсаторах 2 и 4 переменной емкости при помощи устройства управления 14 предварительно установлены значения емкостей, обеспечивающие настройку фильтра гармоник на заданную частоту. При этом учитываются значения емкостей конденсаторов 15 и 16 постоянной емкости, подключенных параллельно конденсаторам 2 и 4 соответственно. В результате, сигнал проходит на выход 12 фильтра гармоник через соответствующие входное Г-образное звено 6, среднюю катушку индуктивности 1 и выходное Г-образное звено 8 с минимальными потерями и максимальным КБВ на частоте настройки. А благодаря наличию индуктивной связи между входной катушкой индуктивности 7 входного Г-образного звена 6 и средней катушкой индуктивности 1, а также благодаря наличию индуктивной связи между выходной катушкой индуктивности 9 выходного Г-образного звена 8 и средней катушкой индуктивности 1, в полосе задерживания включенного фильтра возникает полюс затухания с заданной частотой, например, равной или близкой частоте третьей гармоники передаваемого сигнала. Полюс затухания возникает благодаря тому, что индуктивно связанные катушки индуктивности имеют взаимно противоположное направление намотки, что и обеспечивает встречное направление их магнитных потоков при предлагаемом взаимном расположении катушек индуктивности. При этом катушки индуктивности 7 и 9 расположены относительно соответствующей средней катушки индуктивности 1 на некотором расстоянии от нее, определяющем величину индуктивной связи между катушками индуктивности, от которой зависит частота полюса затухания и уровень подавления гармонических составляющих передаваемого сигнала. Заявленный фильтр гармоник коротковолнового передатчика по сравнению с прототипом имеет расширенные эксплуатационные возможности благодаря снижению почти в полтора раза тока, проходящего через контакты переключателей 3 и 5, а также переключателей в составе конденсаторов 2 и 4 переменной емкости. Кроме того, часть токовой нагрузки берут на себя конденсаторы 15 и 16 постоянной емкости, обеспечивающие вместе с начальной емкостью конденсаторов 2 и 4 настройку фильтра гармоник на максимальную частоту в каждом частотном поддиапазоне. В результате, заявленный фильтр гармоник при том же составе комплектующих элементов может быть применен в радиопередатчике с более чем на 20% увеличенной выходной мощностью. Габаритные размеры заявленного устройства по сравнению с прототипом уменьшаются не только из-за сокращения количества катушек индуктивности на 40%, но также благодаря более рациональному использованию объема при соосном расположении индуктивно связанных катушек индуктивности и отсутствии экранирующих перегородок. Так же как прототип, заявленный фильтр гармоник обеспечивает согласование во всем диапазоне рабочих частот на любой из частот настройки и, как результат, уменьшение затухания передаваемого сигнала. Несмотря на то, что основу заявленного фильтра гармоник составляют ФНЧ 5-го порядка, а не такого же порядка полосовые фильтры (ПФ), как в прототипе, и заявленное устройство и прототип обеспечивают при перестройке примерно одинаковый уровень ослабления гармонических составляющих передаваемого сигнала: не менее 30 дБ для второй гармоники, что достаточно, учитывая уровень ее подавления в усилителе мощности (УМ), и более 56 дБ для всех последующих гармоник. Кроме того в заявленном фильтре гармоник частоту (2) полюса затухания можно установить равной частоте третьей гармоники сигнала, то есть исключить из передаваемого сигнала третью, наиболее мощную, гармонику полностью. Но более рациональной является величина Кп (3), примерно равная 3,5, так как при этом сохраняется очень низкий уровень третьей гармоники, но дополнительно в еще большей степени ослабляются пятая и седьмая гармоники. Гармонические составляющие сигнала с четными порядковыми номерами в этом случае можно не учитывать, так как они уже в достаточной степени подавлены в УМ. Дополнительным отличительным признаком заявленного фильтра гармоник по сравнению с прототипом является то, что величина Кп (3) постоянна и не зависит от частоты настройки фильтра гармоник, тем самым обеспечивается идентичность характеристик заявленного устройства при перестройке. Кроме того, заявленный фильтр гармоник, по сравнению с обычными фильтрами гармоник на основе переключаемых ФНЧ, обеспечивает исключение трудоемкой операции настройки фильтра гармоник при его изготовлении. Настройка осуществляется программным способом в автоматическом режиме до получения максимального значения КБВ на каждой задаваемой с определенным шагом частоте настройки. Результаты настройки сохраняются в устройстве управления и используются во время работы фильтра гармоник в составе передатчика. При таком способе настройки не требуется применение в фильтре гармоник конденсаторов с малыми отклонениями емкости от номинальных значений. Источники информации: 1. Радиопередающие устройства: Учебник для вузов / В.В. Шахгильдян, В.Б. Козырев, А.А Ляховкин и др.; Под ред. В.В. Шахгильдяна. - 3-е изд., перераб. и доп. - М: Радио и связь, 2003. - с. 205…208. 2. Патент RU 2546309, МПК Н03Н 7/09. Фильтр гармоник коротковолнового передатчика / А.Г. Зиновьев, А.В. Богданов. - Заявлено 25.03.2014; опубликовано 10.04.2015, Бюл. №10. 3. Справочник по радиотехнике: Под ред. Б.А. Смиренина. - М., Л.: Госэнергоиздат, 1950. - с. 54, 55.

