патент
№ RU 2679951
МПК F02C7/26

Устройство управления воздушным стартером

Авторы:
Кузнецов Михаил Вячеславович Фомин Антон Аркадьевич Чепкасов Михаил Васильевич
Все (4)
Номер заявки
2017130567
Дата подачи заявки
29.08.2017
Опубликовано
14.02.2019
Страна
RU
Как управлять
интеллектуальной собственностью
Чертежи 
2
Реферат

[33]

Изобретение относится к авиадвигателестроению, в частности к управлению перекрывной регулирующей заслонкой потока сжатого воздуха, подаваемого в качестве рабочего тела в воздушно-турбинный стартер, который используется для запуска газотурбинного двигателя авиационной или наземной техники. Предлагаемая конструкция перекрывной регулирующей заслонки с полным электроуправлением представляет поворотную заслонку, в которой привод оси заслонки выполняется от электромеханизма с понижающим многоступенчатым планетарным редуктором. Техническая задача - снижение массы пускового устройства, снижение трудоемкости и себестоимости изготовления, повышение надежности работы воздушного стартера за счет точности поддержания требуемого давления воздуха на его входе. 2 ил.

Формула изобретения

Устройство для управления воздушным стартером, содержащее корпус, заслонку, расположенную на входе в воздушный стартер при помощи болтового соединения на своей оси и упор для фиксации положения заслонки, соединенный с корпусом посредством фланцевого соединения, отличающееся тем, что на входе в воздушный стартер заслонка выполнена поворотной с приводом от электромеханизма, включающего в свою конструкцию электромагниты для управления редуктором электромеханизма и сигнализаторы давления для управления электродвигателем механизма.

Описание

[1]

Изобретение относится к авиадвигателестроению, в частности к управлению перекрывной регулирующей заслонкой потока сжатого воздуха, подаваемого в качестве рабочего тела в воздушно-турбинный стартер, который используется для запуска газотурбинного двигателя авиационной или наземной техники.

[2]

Известно и принято за прототип устройство для управления воздушным стартером содержащее пневмоклапан, на входе которого установлен запорный конус со штоком, внутри пневмоклапана образована полость "На закрытие", и электромагнитный клапан с полостями затвора, штока и сопла, имеющими возможность сообщения с полостью "На закрытие", через дроссель и фильтр - с входом пневмоклапана и через дроссель - с атмосферой, причем запорный конус снабжен отверстиями, внутри пневмоклапана образован цилиндр с подпружиненным поршнем, соединенным с штоком запорного конуса, полость "На закрытие" расположена в подпоршневой части цилиндра, в надпоршневой части образована полость "На открытие", имеющая возможность сообщения через полости затвора и штока электромагнитного клапана с входом пневмоклапана, через полости затвора и сопла - с атмосферой и с полостью "На закрытие" пневмоклапана, сообщенной через дроссель с атмосферой. Такими пневмоклапанами оборудованы все современные отечественные и зарубежные двигатели. Управление регулирующим органом в этих пневмоклапанах ведется с помощью пневмоуправляемого силового плунжера (сервопоршень) с системой регулирования, которая получает команду на открытие или закрытие регулирующего органа от электромагнитного клапана (командный узел) по сигналу извне (Патент на изобретение RU №2238417 «Устройство для управления воздушным стартером»).

[3]

Однако, системы пневмоуправления пневмоклапанами стартера имеют повышенную сложность конструкции, достаточно дороги при изготовлении, а наличие в пневмосистеме ряда жиклерных отверстий и очистных фильтров, склонных к засорениям, со временем влияет на точность регулирования, приводит к сбоям в работе или отказам при запуске, что усложняет их обслуживание в эксплуатации. Показатели по массе и габаритам пневмоклапанов находятся на среднем уровне, что не может удовлетворять современным требованиям к пусковым устройствам.

[4]

Решением технической проблемы изобретения является применение в конструкции устройства для управления воздушным стартером перекрывной регулирующей заслонки с электроприводом, предназначенной для обеспечения начала подачи воздуха в воздушно-турбинный стартер (далее стартер), регулирования давления воздуха при работе стартера, отключения подачи воздуха по окончании работы стартера и аварийного (экстренного) отключения стартера по сигналу системы автоматического управления запускаемого газотурбинного двигателя.

[5]

Заслонка предназначена для подвода воздуха в воздушный стартер двигателя, поэтому в соответствии с недостатками, выявленными в процессе работы заслонки, то есть отсутствие корректировки давления воздуха за заслонкой при повышении давления перед заслонкой после срабатывания сигнализатора давления и фиксации поворотной заслонки в промежуточном положении, разработаны мероприятия по улучшению электроуправления и характеристик заслонки за счет постановки в систему управления заслонкой дополнительного сигнализатора давления и модернизации схемы управления заслонкой.

[6]

Предлагаемая конструкция устройства для управления воздушным стартером, содержащего перекрывную регулирующую заслонку с полным электроуправлением представляет собой поворотную заслонку, в которой привод оси заслонки выполняется от электромеханизма с понижающим многоступенчатым планетарным редуктором.

[7]

Технический результат достигается, за счет устранения недостатков в работе системы управления заслонкой путем улучшения конструктивных особенностей, а именно: устройство для управления воздушным стартером содержит корпус, заслонку, расположенную на входе в воздушный стартер при помощи болтового соединения на своей оси и упор для фиксации положения заслонки, соединенный с корпусом посредством фланцевого соединения, согласно изобретению, на входе в воздушный стартер заслонка выполнена поворотной с приводом от электромеханизма, включающего в свою конструкцию электромагниты для управления редуктором электромеханизма и сигнализаторы давления для управления электродвигателем механизма, что позволяет:

[8]

- отливать корпус из титанового сплава вместо алюминиевого, обеспечивая тем самым более высокую технологичность корпуса при изготовлении;

[9]

- улучшить герметичность заслонки в закрытом положении для исключения вращения турбины при отключенном стартере;

[10]

- выполнить «ручной» запуск для открытия заслонки в случае отказа электромеханизма или автоматики управления заслонкой за счет наличия привода оси заслонки;

[11]

- достичь простоты управления заслонкой с требуемой точностью, снизить габариты и массу устройства в целом.

[12]

Конструкция устройства для управления воздушным стартером показана на фиг. 1.

[13]

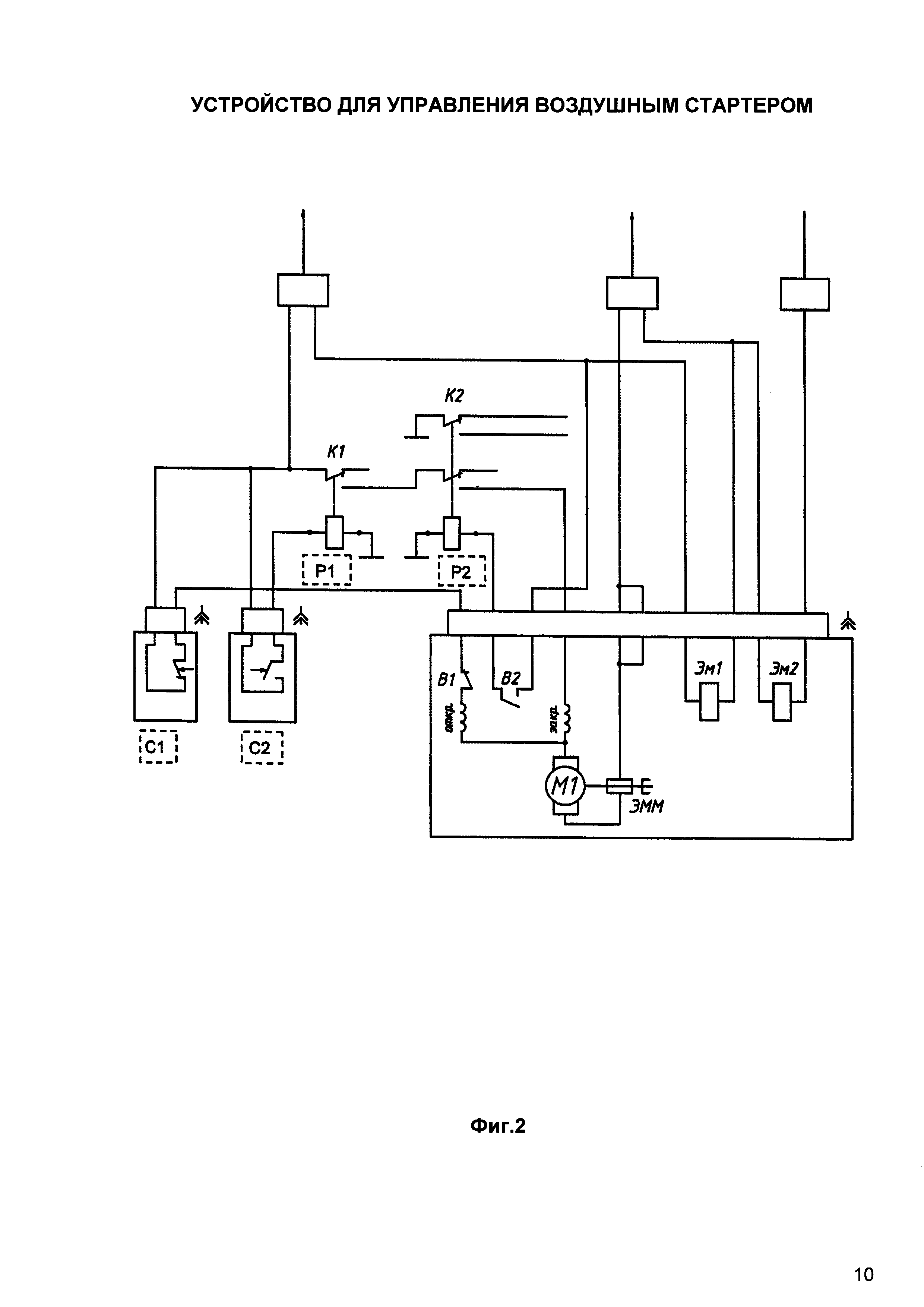
Электросхема управления заслонкой представлена на фиг. 2

[14]

Описание устройства (фиг. 1).

[15]

Устройство для управления воздушным стартером состоит из корпуса 2, с прикрепленным к нему фланцевым соединением упором 4 для фиксации закрытого положения, электромеханизм управления 1 соединен при помощи шлицевого соединения, с осью поворотной заслонки 3, а возвратный механизм 5 с отверстием 7 под ключ крепится при помощи болтового соединения, обеспечивая передачу крутящего момента. Поворотная заслонка на своей оси крепится при помощи болтового соединения. На крышке 6 возвратного механизма выполнен указатель визуального контроля положения оси поворотной заслонки.

[16]

Устройство работает следующим образом:

[17]

К корпусу 2 посредством фланцевого соединения прикреплен электромеханизм 1 и упор 4 для фиксации закрытого положения. Для передачи крутящего момента электромеханизм 1 соединен с осью поворотной заслонки 3 при помощи шлицевого соединения. Возвратный механизм 5 с отверстием 7 под ключ и поворотная заслонка крепятся при помощи болтового соединения. На крышке 6 возвратного механизма выполнен указатель визуального контроля положения оси поворотной заслонки. Для включения заслонки и стартера в работу подается питание через нормально замкнутый сигнализатор С1, настроенный на нижний предел поддерживаемого давления (3 кгс/см2) и нормально замкнутый концевой микровыключатель В1 на обмотку электродвигателя М1 (со стопорной электромагнитной муфтой ЭММ) механизма на открытие заслонки, а также на электромагниты Эм1 и Эм2 планетарного редуктора электромеханизма. Заслонка начинает открываться по заданной программе в течение 5…8 с.

[18]

При повороте заслонки на угол, примерно, 6°…8° от упора замыкается нормально разомкнутый концевой микровыключатель В2 и подает питание на реле Р2, которое контактами К2 готовит цепь к подключению питания на обмотку электродвигателя М1 для закрытия заслонки.

[19]

Открытие заслонки прекращается либо при достижении давления за заслонкой 3 кгс/см2, при котором размыкается сигнализатор С1, обесточивая электродвигатель М1, либо при полном открытии заслонки на угол 90°, при этом размыкается концевой выключатель В1, также прекращая питание М1.

[20]

Доработка электросхемы управления заслонкой с использованием концевого выключателя В2 при закрытии заслонки, согласно фиг. 2, позволяет исключить дефект по срезу оси заслонки при закрытии заслонки от сигнализатора «верхней» границы давления воздуха (или при не исправности сигнализатора). После доработки электросхемы, с пульта управления стенда были выполнены проверки на функционировавние электромеханизма на открытие и закрытие заслонки с имитацией срабатывания сигнализаторов С1 и С2 замыканием соответствующих контактов сигнализаторов.

[21]

Если после останова заслонки в промежуточном или в полностью открытом положении давление воздуха перед заслонкой будет нарастать и достигнет перед стартером (за заслонкой) предельной величины 3,2 кгс/см2 и более, то сработает на замыкание контактов сигнализатор С2, настроенный на верхний предел поддерживаемого давления (3,2 кгс/см2), подавая питание электродвигателю М1 для его вращения в сторону закрытия. Заслонка будет закрываться либо до размыкания ключа К1 реле Р1 сигнализатором С2 (по падению давления за заслонкой ниже 3,2 кгс/см2), либо до размыкания контактов К2 реле Р2 концевым выключателем В2, за 6°…8° до упора полного закрытия.

[22]

При нормальном отключении стартера снимается питание электромагнита Эм1 механизма и электродвигателя М1. Заслонка закрывается с помощью возвратной пружины за 1…2 секунды (освобождается коронная шестерня второй ступени 1 понижающего редуктора электромеханизма, третья, четвертая, пятая ступень оказывают сопротивление закрытию). Питание с Эм2 снимается через 1 секунду.

[23]

При экстренном (аварийном) отключении стартера (при срабатывании системы защиты по предельной частоте вращения турбины стартера) одновременно происходит отключение питания электромагнитов Эм1 и Эм2 (освобождаются коронные шестерни второй 1 и четвертой 2 ступеней понижающего редуктора электромеханизма) и электродвигателя М1. Заслонка закрывается с помощью возвратной пружины за время ≤0,5 секунды.

[24]

Дополнительный сигнализатор давления воздуха С2 включен в цепь питания электродвигателя М1 и должен подать питание на М1 для прикрытия заслонки (заслонка будет закрываться до размыкания К1 цепи Р1) при увеличении давления воздуха перед турбиной свыше настроенного. Таким образом, с постановкой двух сигнализаторов давления достигается возможность автоматически управлять положением поворотной заслонки и тем самым, поддерживать давление воздуха перед турбиной стартера во время запуска в заданных пределах при увеличении или снижении давления воздуха перед заслонкой.

[25]

То есть регулирование давления на выходе заслонки осуществляется с помощью двух сигнализаторов давления, настроенных на поддержание давления на выходе в заданном узком диапазоне требуемого давления, например 3+0,2 кгс/см2. Поворотная заслонка с электроуправлением применена в пусковом устройстве на турбореактивном двухконтурном двигателе. Открытие и закрытие поворотной заслонки при включении и выключении может происходить по заложенным в электромеханизме программам управления, например:

[26]

1) при давлении ниже настройки (≤3 кгс/см2) - полное открытие заслонки;

[27]

2) при достижении давления настройки (3 кгс/см2) - остановка заслонки;

[28]

3) при достижении давления выше настройки (≥3,2 кгс/см2) - прикрытие заслонки;

[29]

4) нормальное закрытие по сигналу САУ ГТД (1…2 сек);

[30]

5) аварийное (экстренное) - закрытие заслонки (≤0,5 сек).

[31]

Проведены испытания включений и работы стартера с различными давлениями воздуха на входе в заслонку с электроуправлением с двумя сигнализаторами давления воздуха за заслонкой стартера. Проведены испытания поворотной заслонки с электромеханизмом, получены удовлетворительные результаты по поддержанию требуемого уровня давления воздуха перед турбиной стартера по сравнению с одним сигнализатором давления воздуха, электромеханизм с заслонкой работали без замечаний по заданному алгоритму управления.

[32]

Таким образом, предлагаемое изобретение обладает явным преимуществом по сравнению с известными из уровня техники и направлено на снижение массы пускового устройства, снижение трудоемкости и себестоимости изготовления, повышение надежности и ресурса работы воздушного стартера за счет точности поддержания требуемого давления воздуха на его входе.

Как компенсировать расходы
на инновационную разработку
Похожие патенты